lemon-mirror:
Home >> Lexus >> 2006 >> LS 430 >> Repair and Diagnosis >> Electrical >> Body Electrical >> OEM System Circuits >> Pre-Collision Safety System >> Notes

Pre-Collision Safety System: Notes

Fig 1: Pre-Collision Safety System Wiring Diagram (1 Of 6)
G08913867Courtesy of © TOYOTA, LICENSE AGREEMENT TMS1002
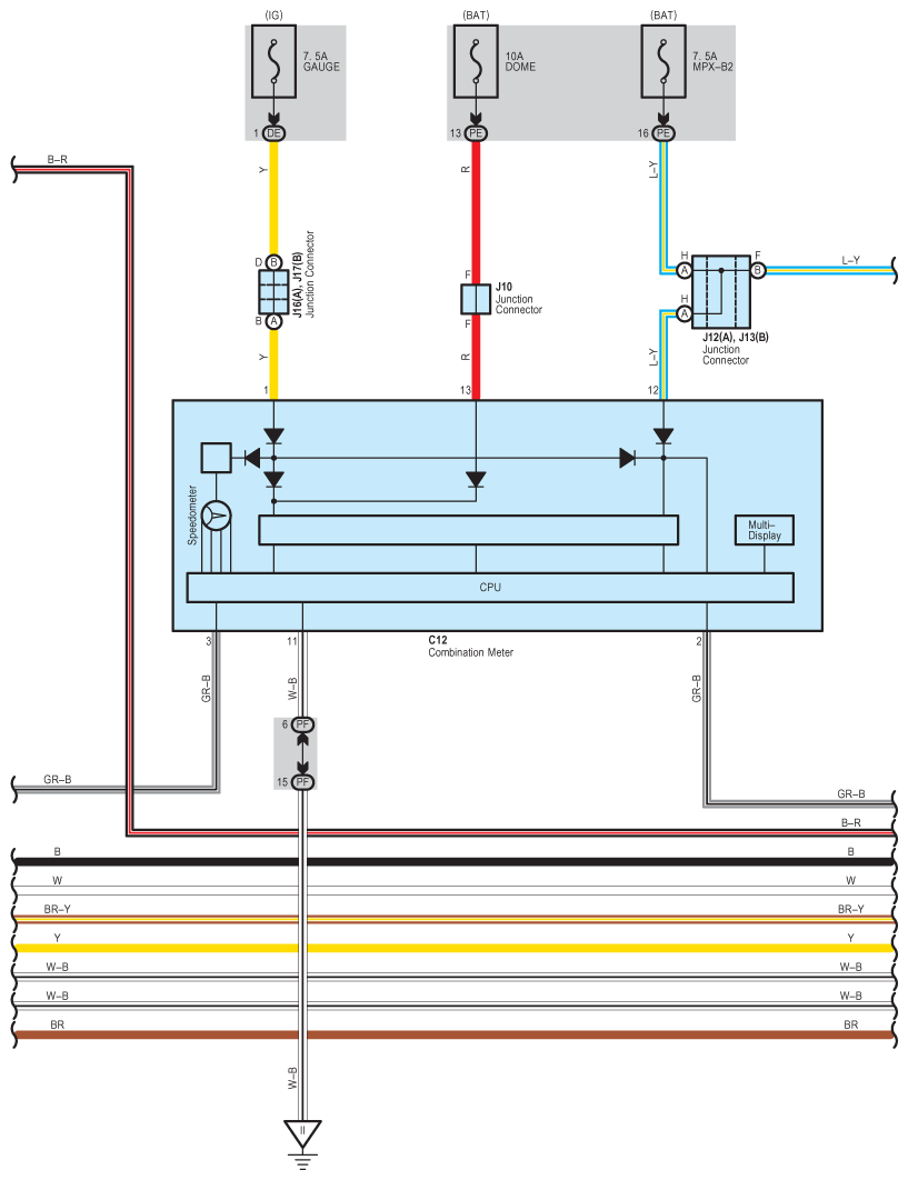
Fig 2: Pre-Collision Safety System Wiring Diagram (2 Of 6)
G08913868Courtesy of © TOYOTA, LICENSE AGREEMENT TMS1002
Fig 3: Pre-Collision Safety System Wiring Diagram (3 Of 6)
G08913869Courtesy of © TOYOTA, LICENSE AGREEMENT TMS1002
Fig 4: Pre-Collision Safety System Wiring Diagram (4 Of 6)
G08913870Courtesy of © TOYOTA, LICENSE AGREEMENT TMS1002
Fig 5: Pre-Collision Safety System Wiring Diagram (5 Of 6)
G08913871Courtesy of © TOYOTA, LICENSE AGREEMENT TMS1002
Fig 6: Pre-Collision Safety System Wiring Diagram (6 Of 6)
G08913872Courtesy of © TOYOTA, LICENSE AGREEMENT TMS1002