lemon-mirror:
Home >> Lexus >> 2006 >> LS 430 >> Repair and Diagnosis >> Electrical >> Body Electrical >> OEM System Circuits >> Radiator Fan >> Notes

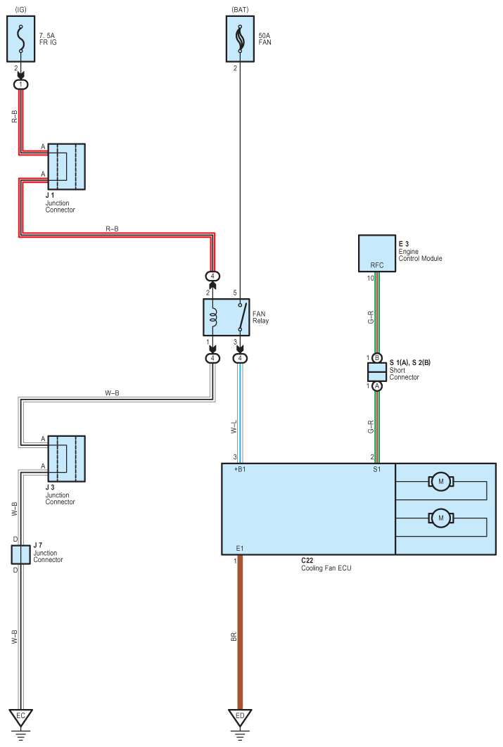
Radiator Fan: Notes

Fig 1: Radiator Fan System Wiring Diagram
G08913939Courtesy of © TOYOTA, LICENSE AGREEMENT TMS1002