lemon-mirror:
Home >> Lexus >> 2006 >> LS 430 >> Repair and Diagnosis >> Electrical >> Body Electrical >> OEM System Circuits >> Rear Sunshade >> Notes

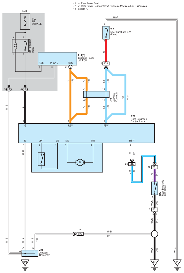
Rear Sunshade: Notes

Fig 1: Rear Sunshade System Wiring Diagram
G08913916Courtesy of © TOYOTA, LICENSE AGREEMENT TMS1002