lemon-mirror:
Home >> Lexus >> 2006 >> LX 470 >> Repair and Diagnosis >> Electrical >> Body Electrical >> OEM System Circuits >> Audio System with Navigation System >> Notes

Audio System with Navigation System: Notes

Fig 1: Audio System With Navigation System - Wiring Diagram (1 Of 5)
G08928257Courtesy of © TOYOTA, LICENSE AGREEMENT TMS1002
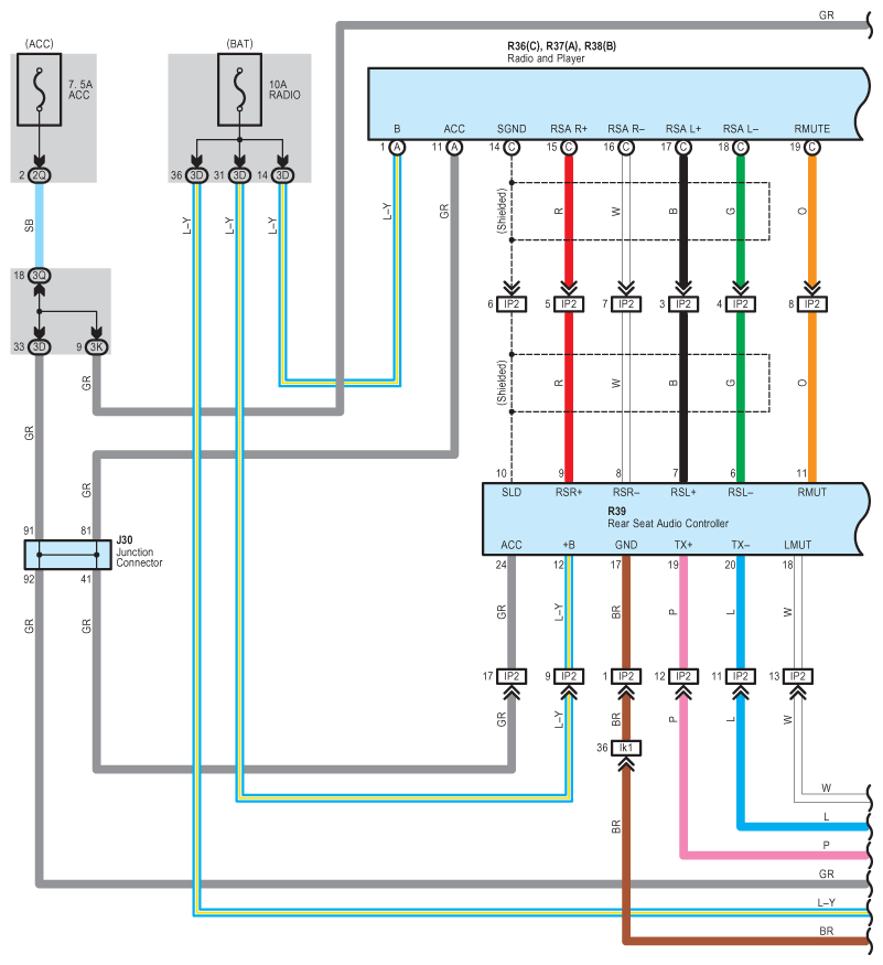
Fig 2: Audio System With Navigation System - Wiring Diagram (2 Of 5)
G08928258Courtesy of © TOYOTA, LICENSE AGREEMENT TMS1002
Fig 3: Audio System With Navigation System - Wiring Diagram (3 Of 5)
G08928259Courtesy of © TOYOTA, LICENSE AGREEMENT TMS1002
Fig 4: Audio System With Navigation System - Wiring Diagram (4 Of 5)
G08928260Courtesy of © TOYOTA, LICENSE AGREEMENT TMS1002
Fig 5: Audio System With Navigation System - Wiring Diagram (5 Of 5)
G08928261Courtesy of © TOYOTA, LICENSE AGREEMENT TMS1002