lemon-mirror:
Home >> Lexus >> 2006 >> LX 470 >> Repair and Diagnosis >> Electrical >> Body Electrical >> OEM System Circuits >> Audio System without Navigation System >> Notes

Audio System without Navigation System: Notes

Fig 1: Audio System Without Navigation System - Wiring Diagram (1 Of 3)
G08928262Courtesy of © TOYOTA, LICENSE AGREEMENT TMS1002
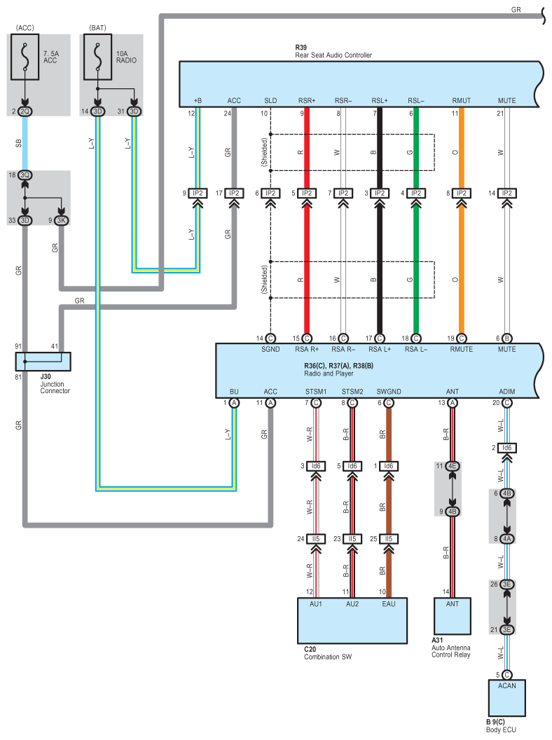
Fig 2: Audio System Without Navigation System - Wiring Diagram (2 Of 3)
G08928263Courtesy of © TOYOTA, LICENSE AGREEMENT TMS1002
Fig 3: Audio System Without Navigation System - Wiring Diagram (3 Of 3)
G08928264Courtesy of © TOYOTA, LICENSE AGREEMENT TMS1002