lemon-mirror:
Home >> Lexus >> 2006 >> LX 470 >> Repair and Diagnosis >> Electrical >> Body Electrical >> OEM System Circuits >> Center Differential Lock >> Notes

Center Differential Lock: Notes

Fig 1: Center Differential Lock - Wiring Diagram (1 Of 3)
G08928191Courtesy of © TOYOTA, LICENSE AGREEMENT TMS1002
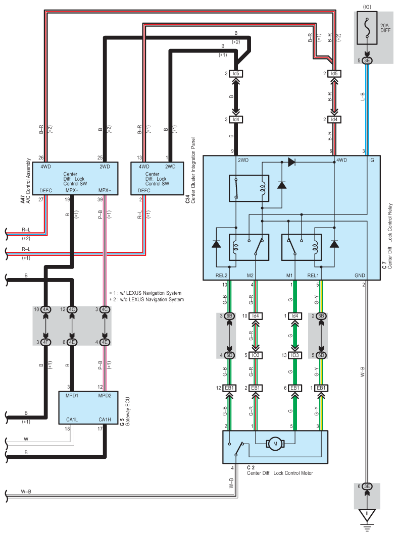
Fig 2: Center Differential Lock - Wiring Diagram (2 Of 3)
G08928192Courtesy of © TOYOTA, LICENSE AGREEMENT TMS1002
Fig 3: Center Differential Lock - Wiring Diagram (3 Of 3)
G08928193Courtesy of © TOYOTA, LICENSE AGREEMENT TMS1002