lemon-mirror:
Home >> Lexus >> 2006 >> LX 470 >> Repair and Diagnosis >> Electrical >> Body Electrical >> OEM System Circuits >> Engine Immobiliser System >> Notes

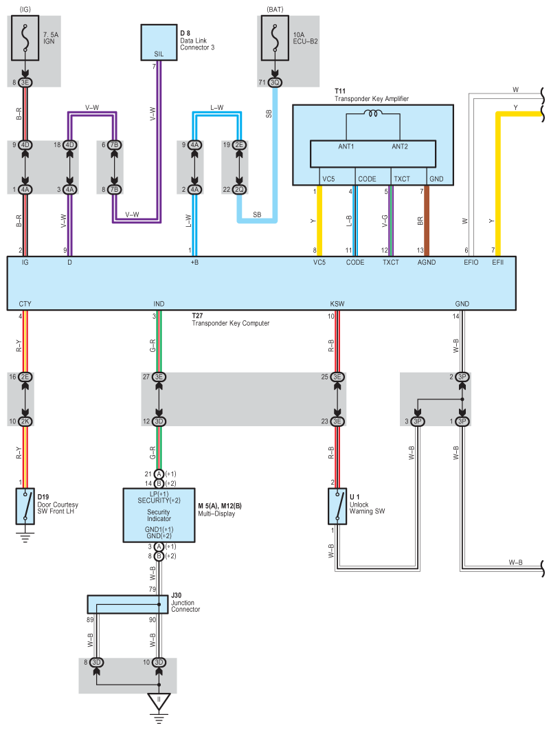
Engine Immobiliser System: Notes

Fig 1: Engine Immobiliser System - Wiring Diagram (1 Of 2)
G08928083Courtesy of © TOYOTA, LICENSE AGREEMENT TMS1002
Fig 2: Engine Immobiliser System - Wiring Diagram (2 Of 2)
G08928084Courtesy of © TOYOTA, LICENSE AGREEMENT TMS1002