lemon-mirror:
Home >> Lexus >> 2006 >> LX 470 >> Repair and Diagnosis >> Electrical >> Body Electrical >> OEM System Circuits >> Front Fog Light >> Notes

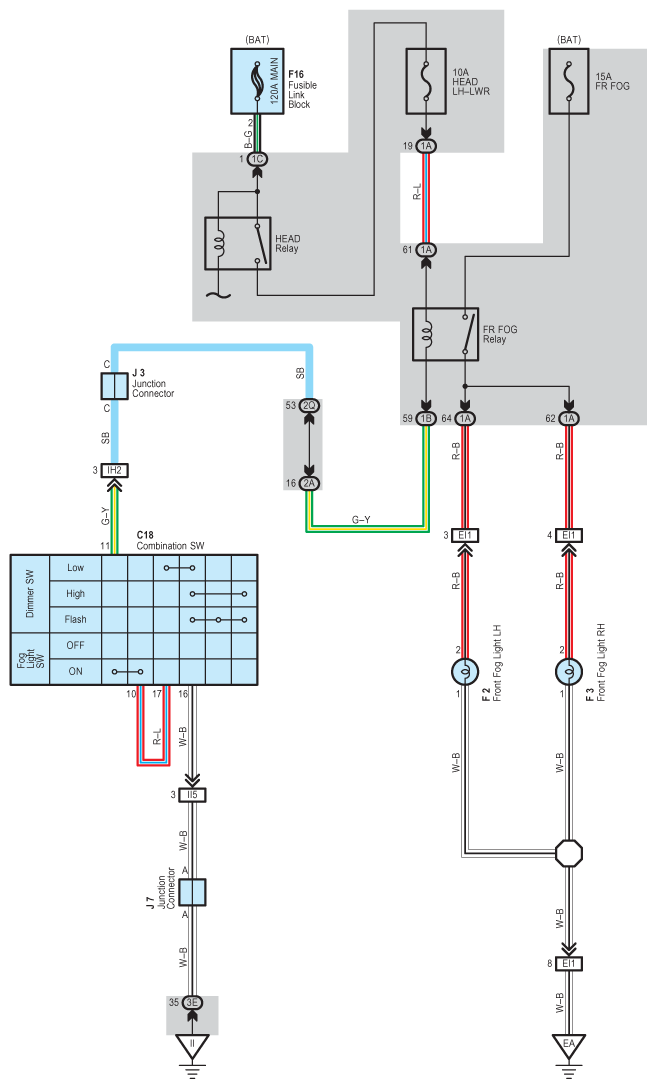
Front Fog Light: Notes

Fig 1: Front Fog Light - Circuit Diagram
G08928089Courtesy of © TOYOTA, LICENSE AGREEMENT TMS1002