lemon-mirror:
Home >> Lexus >> 2006 >> LX 470 >> Repair and Diagnosis >> Electrical >> Body Electrical >> OEM System Circuits >> LEXUS Night View System >> Notes

LEXUS Night View System: Notes

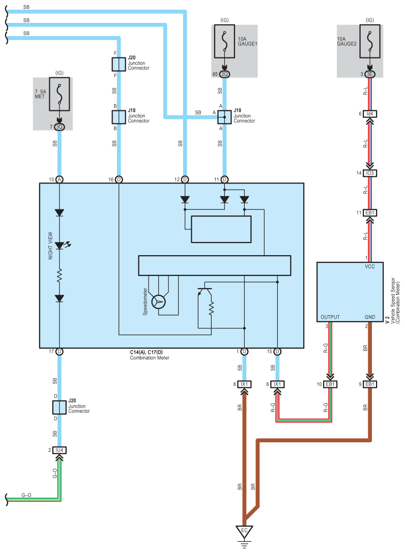
Fig 1: Lexus Night View System - Wiring Diagram (1 Of 6)
G08928114Courtesy of © TOYOTA, LICENSE AGREEMENT TMS1002
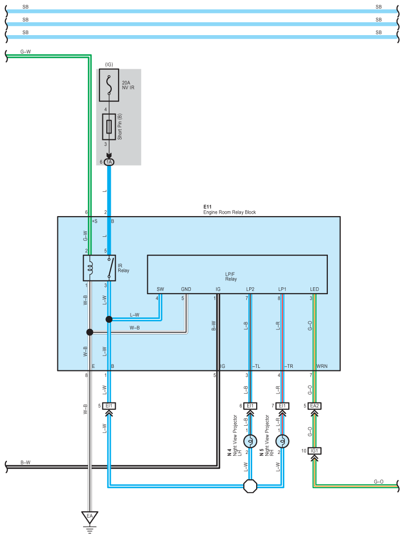
Fig 2: Lexus Night View System - Wiring Diagram (2 Of 6)
G08928115Courtesy of © TOYOTA, LICENSE AGREEMENT TMS1002
Fig 3: Lexus Night View System - Wiring Diagram (3 Of 6)
G08928116Courtesy of © TOYOTA, LICENSE AGREEMENT TMS1002
Fig 4: Lexus Night View System - Wiring Diagram (4 Of 6)
G08928117Courtesy of © TOYOTA, LICENSE AGREEMENT TMS1002
Fig 5: Lexus Night View System - Wiring Diagram (5 Of 6)
G08928118Courtesy of © TOYOTA, LICENSE AGREEMENT TMS1002
Fig 6: Lexus Night View System - Wiring Diagram (6 Of 6)
G08928119Courtesy of © TOYOTA, LICENSE AGREEMENT TMS1002