lemon-mirror:
Home >> Lexus >> 2006 >> LX 470 >> Repair and Diagnosis >> Electrical >> Body Electrical >> OEM System Circuits >> Mirror Heater >> Notes

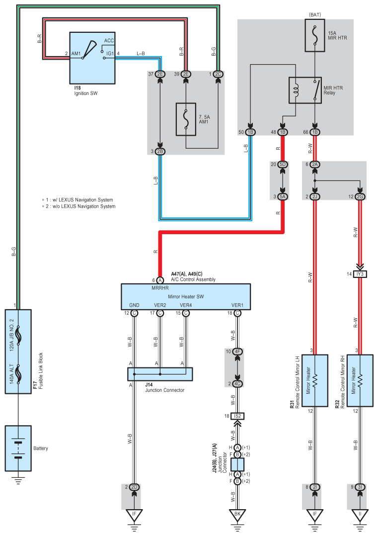
Mirror Heater: Notes

Fig 1: Mirror Heater - Circuit Diagram
G08928233Courtesy of © TOYOTA, LICENSE AGREEMENT TMS1002