lemon-mirror:
Home >> Lexus >> 2006 >> LX 470 >> Repair and Diagnosis >> Electrical >> Body Electrical >> OEM System Circuits >> Remote Control Mirror >> Notes

Remote Control Mirror: Notes

Fig 1: Remote Control Mirror - Wiring Diagram (1 Of 4)
G08928224Courtesy of © TOYOTA, LICENSE AGREEMENT TMS1002
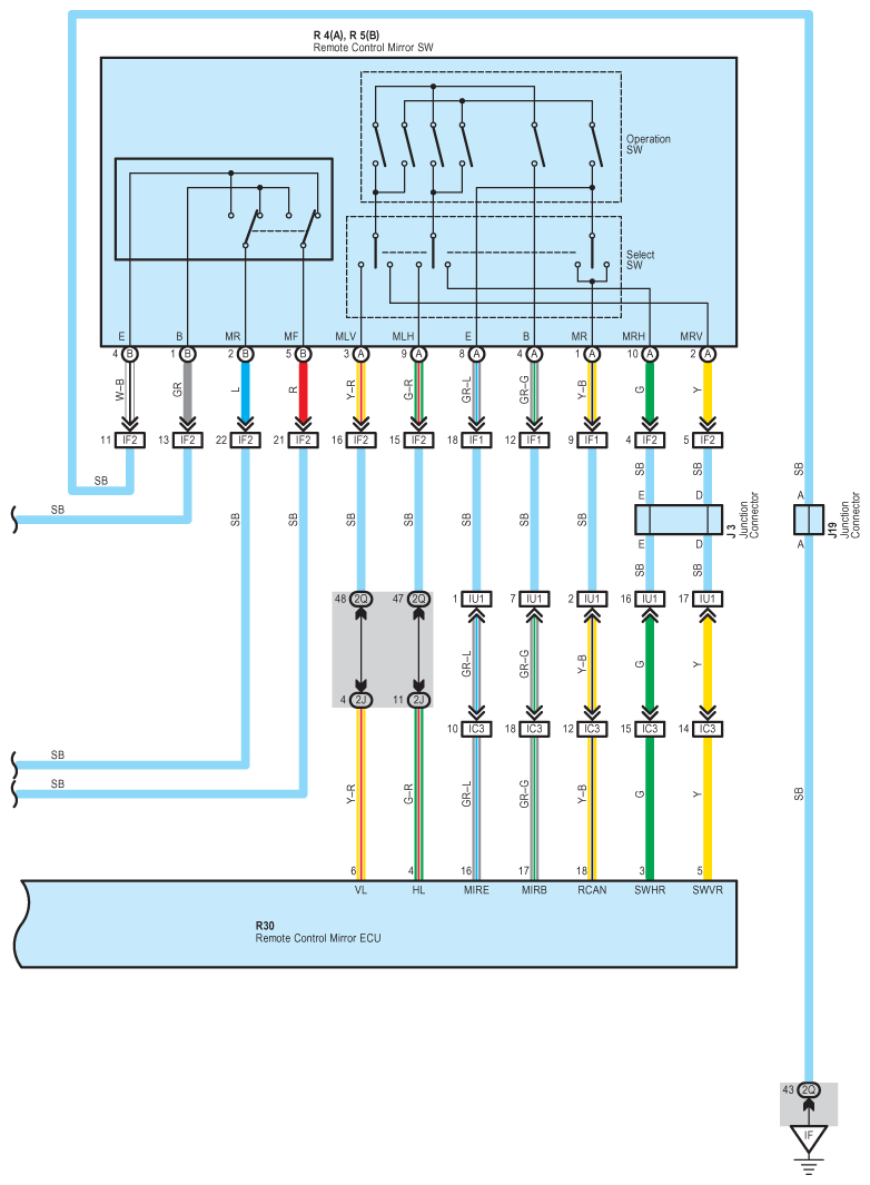
Fig 2: Remote Control Mirror - Wiring Diagram (2 Of 4)
G08928225Courtesy of © TOYOTA, LICENSE AGREEMENT TMS1002
Fig 3: Remote Control Mirror - Wiring Diagram (3 Of 4)
G08928226Courtesy of © TOYOTA, LICENSE AGREEMENT TMS1002
Fig 4: Remote Control Mirror - Wiring Diagram (4 Of 4)
G08928227Courtesy of © TOYOTA, LICENSE AGREEMENT TMS1002