lemon-mirror:
Home >> Lexus >> 2006 >> LX 470 >> Repair and Diagnosis >> Electrical >> Body Electrical >> OEM System Circuits >> Trailer Towing >> Notes

Trailer Towing: Notes

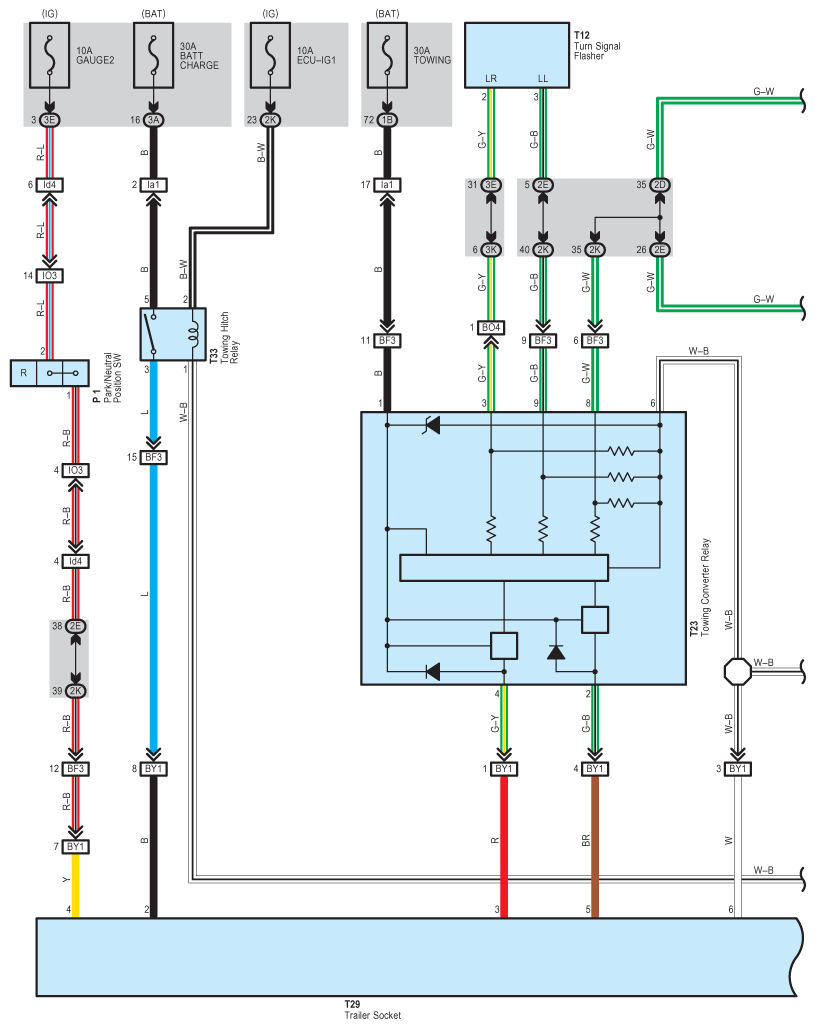
Fig 1: Trailer Towing - Wiring Diagram (1 Of 2)
G08928107Courtesy of © TOYOTA, LICENSE AGREEMENT TMS1002
Fig 2: Trailer Towing - Wiring Diagram (2 Of 2)
G08928108Courtesy of © TOYOTA, LICENSE AGREEMENT TMS1002