lemon-mirror:
Home >> Lexus >> 2006 >> LX 470 >> Repair and Diagnosis >> Electrical >> Body Electrical >> OEM System Circuits >> VGRS System >> Notes

VGRS System: Notes

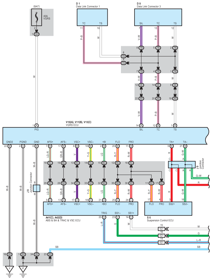
Fig 1: VGRS System - Wiring Diagram (1 Of 2)
G08928172Courtesy of © TOYOTA, LICENSE AGREEMENT TMS1002
Fig 2: VGRS System - Wiring Diagram (2 Of 2)
G08928173Courtesy of © TOYOTA, LICENSE AGREEMENT TMS1002