lemon-mirror:
Home >> Lexus >> 2006 >> RX 330 FWD >> Repair and Diagnosis >> Electrical >> Body Electrical >> OEM System Circuits >> Dynamic Laser Cruise Control >> Notes

Dynamic Laser Cruise Control: Notes

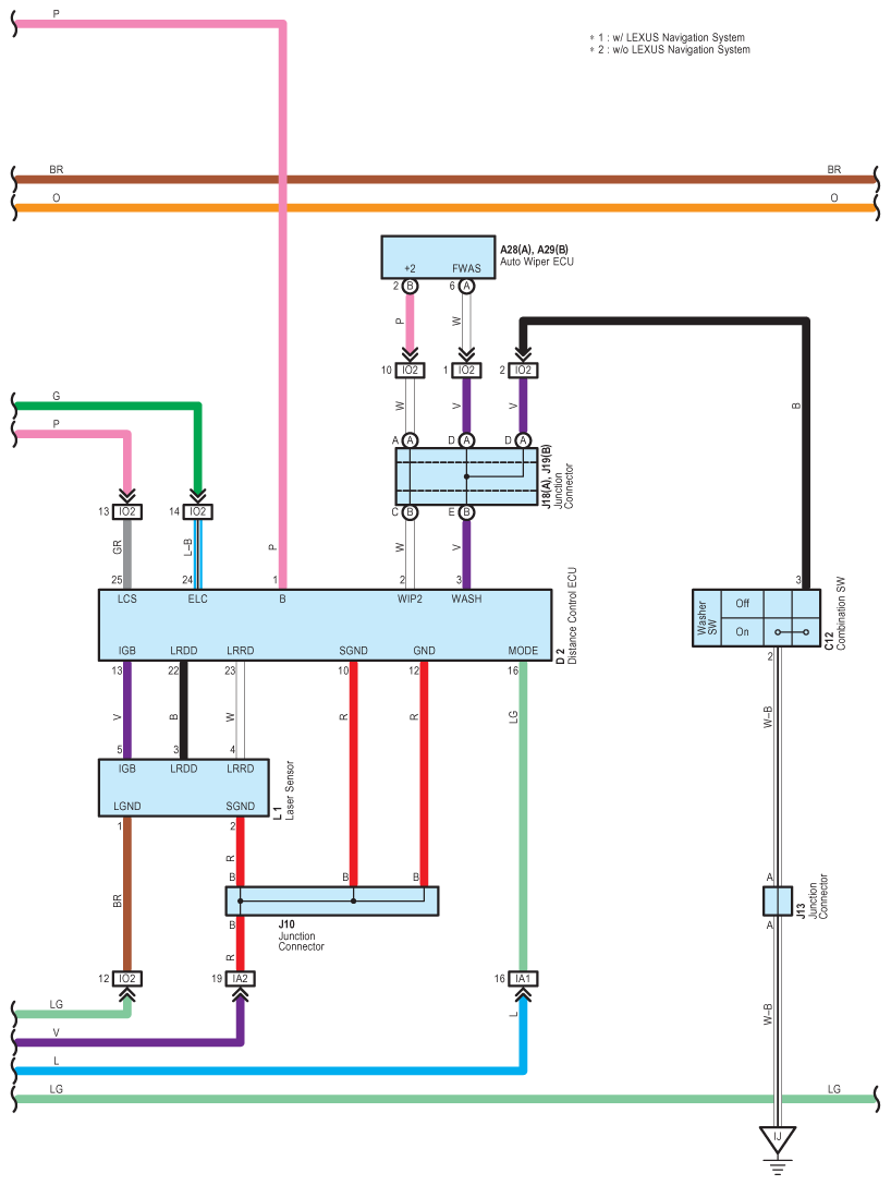
Fig 1: Dynamic Laser Cruise Control - Wiring Diagram (1 Of 9)
G08928985Courtesy of © TOYOTA, LICENSE AGREEMENT TMS1002
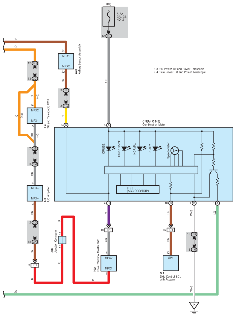
Fig 2: Dynamic Laser Cruise Control - Wiring Diagram (2 Of 9)
G08928986Courtesy of © TOYOTA, LICENSE AGREEMENT TMS1002
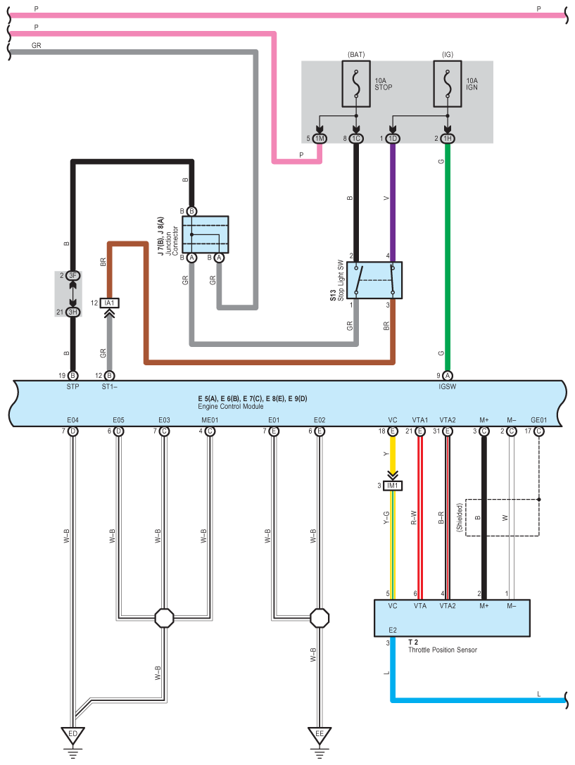
Fig 3: Dynamic Laser Cruise Control - Wiring Diagram (3 Of 9)
G08928987Courtesy of © TOYOTA, LICENSE AGREEMENT TMS1002
Fig 4: Dynamic Laser Cruise Control - Wiring Diagram (4 Of 9)
G08928988Courtesy of © TOYOTA, LICENSE AGREEMENT TMS1002
Fig 5: Dynamic Laser Cruise Control - Wiring Diagram (5 Of 9)
G08928989Courtesy of © TOYOTA, LICENSE AGREEMENT TMS1002
Fig 6: Dynamic Laser Cruise Control - Wiring Diagram (6 Of 9)
G08928990Courtesy of © TOYOTA, LICENSE AGREEMENT TMS1002
Fig 7: Dynamic Laser Cruise Control - Wiring Diagram (7 Of 9)
G08928991Courtesy of © TOYOTA, LICENSE AGREEMENT TMS1002
Fig 8: Dynamic Laser Cruise Control - Wiring Diagram (8 Of 9)
G08928992Courtesy of © TOYOTA, LICENSE AGREEMENT TMS1002
Fig 9: Dynamic Laser Cruise Control - Wiring Diagram (9 Of 9)
G08928993Courtesy of © TOYOTA, LICENSE AGREEMENT TMS1002