lemon-mirror:
Home >> Lexus >> 2006 >> RX 330 FWD >> Repair and Diagnosis >> Electrical >> Body Electrical >> OEM System Circuits >> Engine Control >> Notes

Engine Control: Notes

Fig 1: Engine Control - Wiring Diagram (1 Of 8)
G08928969Courtesy of © TOYOTA, LICENSE AGREEMENT TMS1002
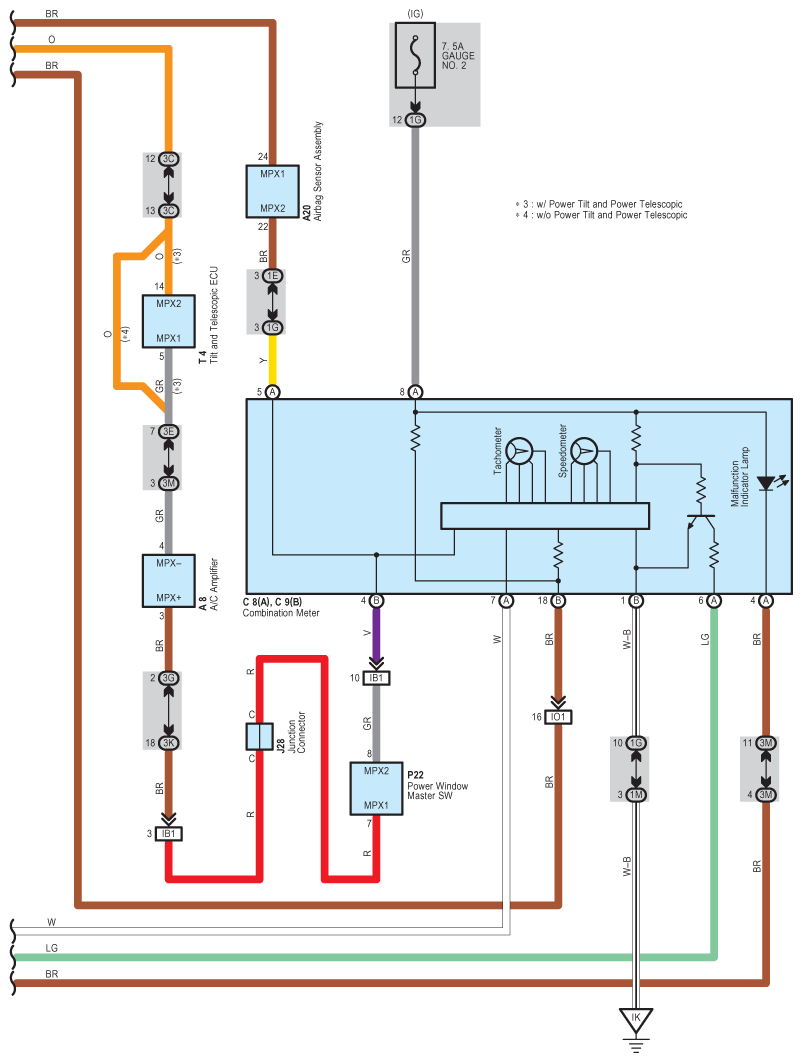
Fig 2: Engine Control - Wiring Diagram (2 Of 8)
G08928970Courtesy of © TOYOTA, LICENSE AGREEMENT TMS1002
Fig 3: Engine Control - Wiring Diagram (3 Of 8)
G08928971Courtesy of © TOYOTA, LICENSE AGREEMENT TMS1002
Fig 4: Engine Control - Wiring Diagram (4 Of 8)
G08928972Courtesy of © TOYOTA, LICENSE AGREEMENT TMS1002
Fig 5: Engine Control - Wiring Diagram (5 Of 8)
G08928973Courtesy of © TOYOTA, LICENSE AGREEMENT TMS1002
Fig 6: Engine Control - Wiring Diagram (6 Of 8)
G08928974Courtesy of © TOYOTA, LICENSE AGREEMENT TMS1002
Fig 7: Engine Control - Wiring Diagram (7 Of 8)
G08928975Courtesy of © TOYOTA, LICENSE AGREEMENT TMS1002
Fig 8: Engine Control - Wiring Diagram (8 Of 8)
G08928976Courtesy of © TOYOTA, LICENSE AGREEMENT TMS1002