lemon-mirror:
Home >> Lexus >> 2006 >> RX 330 FWD >> Repair and Diagnosis >> Electrical >> Body Electrical >> OEM System Circuits >> Front Fog Light >> Notes

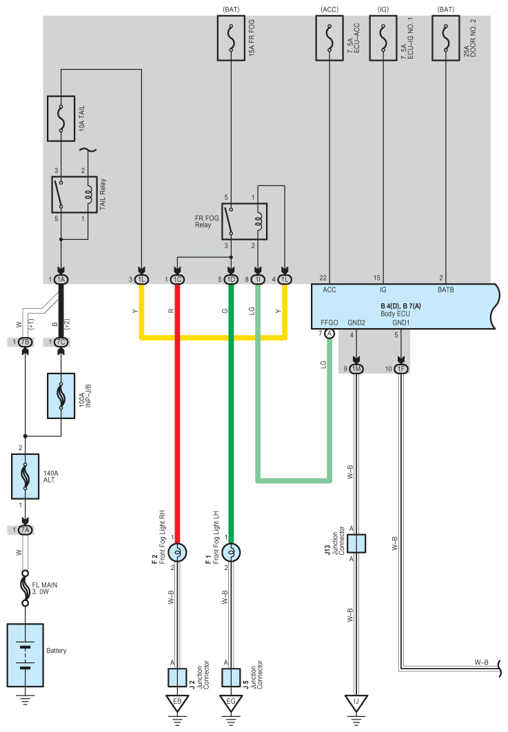
Front Fog Light: Notes

Fig 1: Front Fog Light - Wiring Diagram (1 Of 2)
G08928949Courtesy of © TOYOTA, LICENSE AGREEMENT TMS1002
Fig 2: Front Fog Light - Wiring Diagram (2 Of 2)
G08928950Courtesy of © TOYOTA, LICENSE AGREEMENT TMS1002