lemon-mirror:
Home >> Lexus >> 2006 >> RX 330 FWD >> Repair and Diagnosis >> Electrical >> Body Electrical >> OEM System Circuits >> Headlight >> Notes

OEM System Circuits: Headlight: Notes

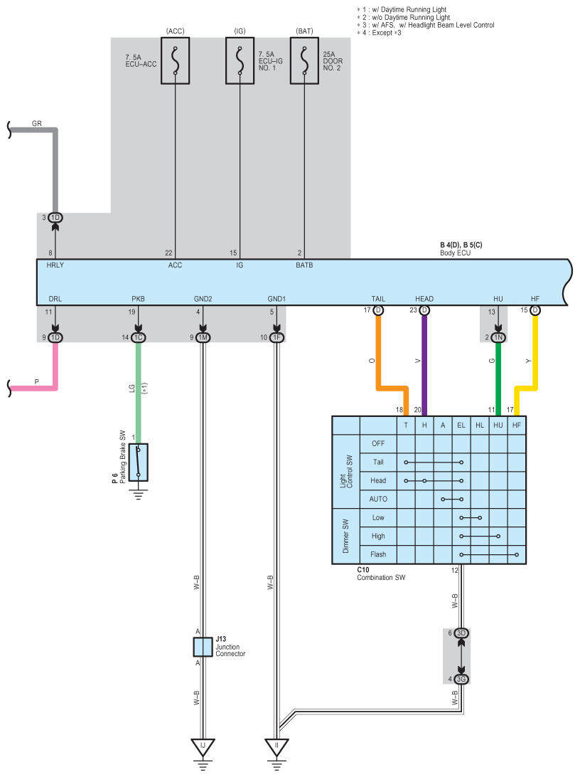
Fig 1: Headlight - Wiring Diagram (1 Of 3)
G08928946Courtesy of © TOYOTA, LICENSE AGREEMENT TMS1002
Fig 2: Headlight - Wiring Diagram (2 Of 3)
G08928947Courtesy of © TOYOTA, LICENSE AGREEMENT TMS1002
Fig 3: Headlight - Wiring Diagram (3 Of 3)
G08928948Courtesy of © TOYOTA, LICENSE AGREEMENT TMS1002