lemon-mirror:
Home >> Lexus >> 2006 >> RX 330 FWD >> Repair and Diagnosis >> Electrical >> Body Electrical >> OEM System Circuits >> Illumination >> Notes

OEM System Circuits: Illumination: Notes

Fig 1: Illumination - Wiring Diagram (1 Of 4)
G08928958Courtesy of © TOYOTA, LICENSE AGREEMENT TMS1002
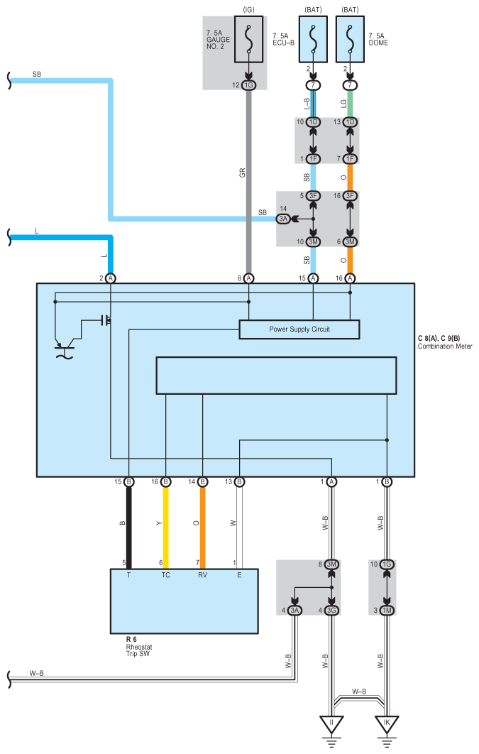
Fig 2: Illumination - Wiring Diagram (2 Of 4)
G08928959Courtesy of © TOYOTA, LICENSE AGREEMENT TMS1002
Fig 3: Illumination - Wiring Diagram (3 Of 4)
G08928960Courtesy of © TOYOTA, LICENSE AGREEMENT TMS1002
Fig 4: Illumination - Wiring Diagram (4 Of 4)
G08928961Courtesy of © TOYOTA, LICENSE AGREEMENT TMS1002