lemon-mirror:
Home >> Lexus >> 2006 >> RX 330 FWD >> Repair and Diagnosis >> Electrical >> Body Electrical >> OEM System Circuits >> Key Reminder >> Notes

Key Reminder: Notes

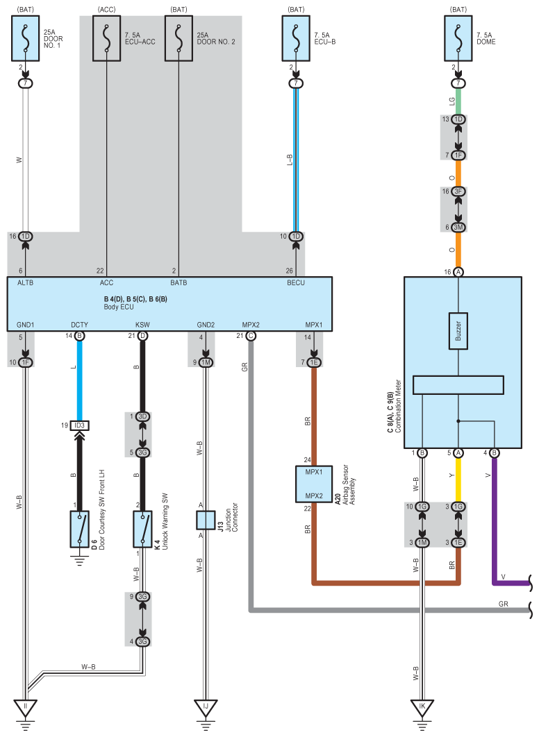
Fig 1: Key Reminder - Wiring Diagram (1 Of 2)
G08929056Courtesy of © TOYOTA, LICENSE AGREEMENT TMS1002
Fig 2: Key Reminder - Wiring Diagram (2 Of 2)
G08929057Courtesy of © TOYOTA, LICENSE AGREEMENT TMS1002