lemon-mirror:
Home >> Lexus >> 2006 >> RX 330 FWD >> Repair and Diagnosis >> Electrical >> Body Electrical >> OEM System Circuits >> Moon Roof >> Notes

Moon Roof: Notes

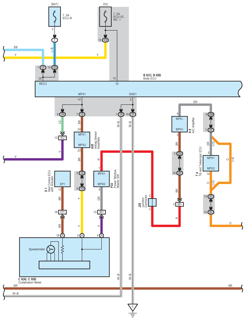
Fig 1: Moon Roof - Wiring Diagram (1 Of 3)
G08929052Courtesy of © TOYOTA, LICENSE AGREEMENT TMS1002
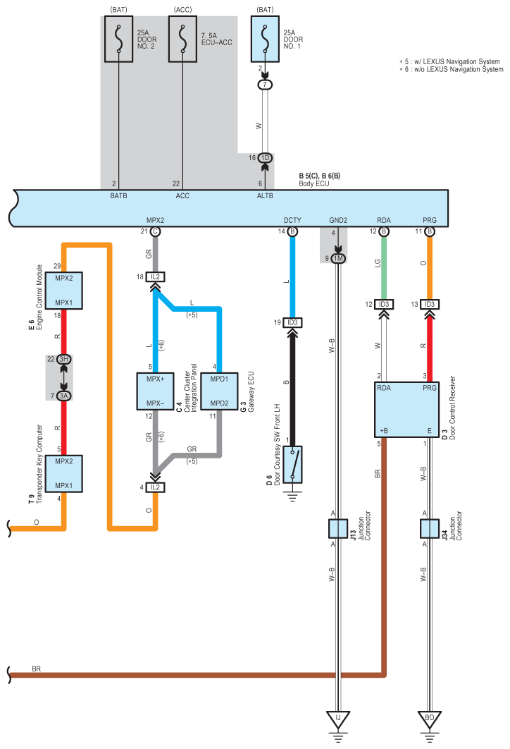
Fig 2: Moon Roof - Wiring Diagram (2 Of 3)
G08929053Courtesy of © TOYOTA, LICENSE AGREEMENT TMS1002
Fig 3: Moon Roof - Wiring Diagram (3 Of 3)
G08929054Courtesy of © TOYOTA, LICENSE AGREEMENT TMS1002