lemon-mirror:
Home >> Lexus >> 2006 >> RX 330 FWD >> Repair and Diagnosis >> Electrical >> Body Electrical >> OEM System Circuits >> Wireless Door Lock Control >> Notes

Wireless Door Lock Control: Notes

Fig 1: Wireless Door Lock Control - Wiring Diagram (1 Of 10)
G08929079Courtesy of © TOYOTA, LICENSE AGREEMENT TMS1002
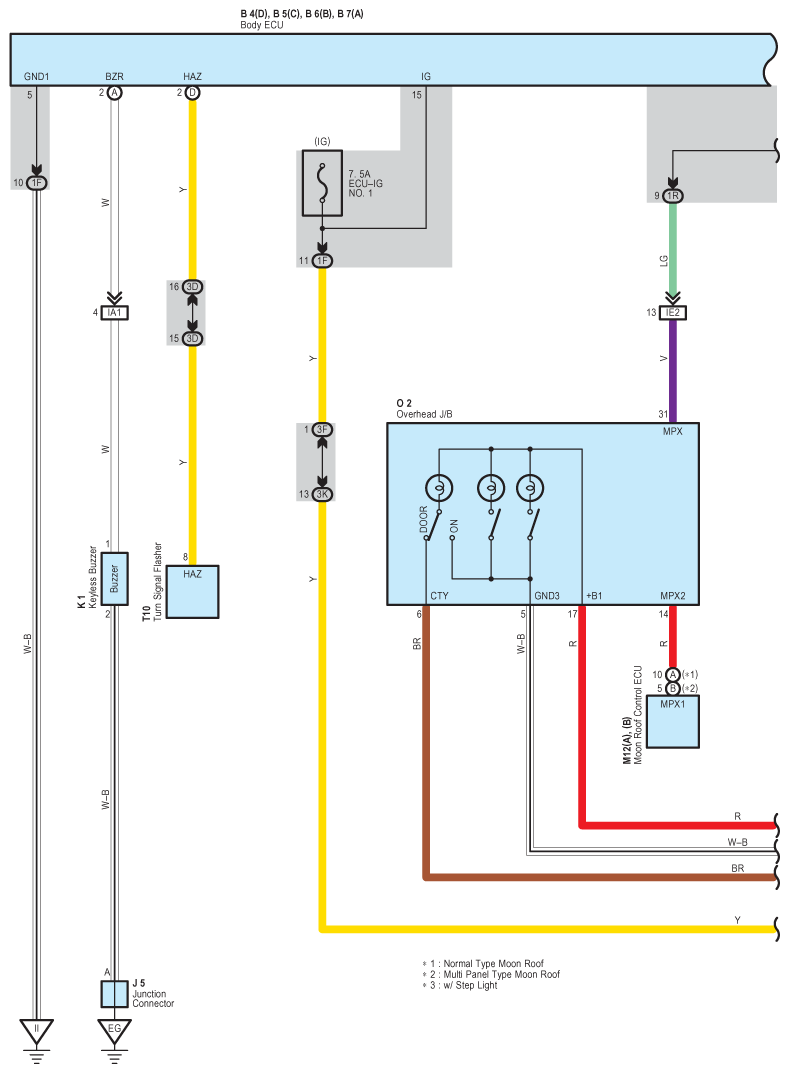
Fig 2: Wireless Door Lock Control - Wiring Diagram (2 Of 10)
G08929080Courtesy of © TOYOTA, LICENSE AGREEMENT TMS1002
Fig 3: Wireless Door Lock Control - Wiring Diagram (3 Of 10)
G08929081Courtesy of © TOYOTA, LICENSE AGREEMENT TMS1002
Fig 4: Wireless Door Lock Control - Wiring Diagram (4 Of 10)
G08929082Courtesy of © TOYOTA, LICENSE AGREEMENT TMS1002
Fig 5: Wireless Door Lock Control - Wiring Diagram (5 Of 10)
G08929083Courtesy of © TOYOTA, LICENSE AGREEMENT TMS1002
Fig 6: Wireless Door Lock Control - Wiring Diagram (6 Of 10)
G08929084Courtesy of © TOYOTA, LICENSE AGREEMENT TMS1002
Fig 7: Wireless Door Lock Control - Wiring Diagram (7 Of 10)
G08929085Courtesy of © TOYOTA, LICENSE AGREEMENT TMS1002
Fig 8: Wireless Door Lock Control - Wiring Diagram (8 Of 10)
G08929086Courtesy of © TOYOTA, LICENSE AGREEMENT TMS1002
Fig 9: Wireless Door Lock Control - Wiring Diagram (9 Of 10)
G08929087Courtesy of © TOYOTA, LICENSE AGREEMENT TMS1002
Fig 10: Wireless Door Lock Control - Wiring Diagram (10 Of 10)
G08929088Courtesy of © TOYOTA, LICENSE AGREEMENT TMS1002