lemon-mirror:
Home >> Lexus >> 2006 >> RX 400h FWD >> Repair and Diagnosis >> Electrical >> Body Electrical >> OEM System Circuits >> Automatic Air Conditioning >> Notes

Automatic Air Conditioning: Notes

Fig 1: Automatic Air Conditioning Wiring Diagram (1 Of 5)
G08914916Courtesy of © TOYOTA, LICENSE AGREEMENT TMS1002
Fig 2: Automatic Air Conditioning Wiring Diagram (2 Of 5)
G08914917Courtesy of © TOYOTA, LICENSE AGREEMENT TMS1002
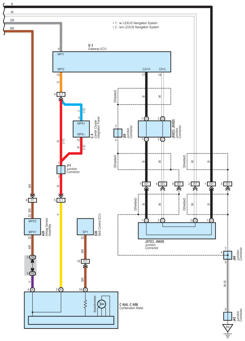
Fig 3: Automatic Air Conditioning Wiring Diagram (3 Of 5)
G08914918Courtesy of © TOYOTA, LICENSE AGREEMENT TMS1002
Fig 4: Automatic Air Conditioning Wiring Diagram (4 Of 5)
G08914919Courtesy of © TOYOTA, LICENSE AGREEMENT TMS1002
Fig 5: Automatic Air Conditioning Wiring Diagram (5 Of 5)
G08914920Courtesy of © TOYOTA, LICENSE AGREEMENT TMS1002