lemon-mirror:
Home >> Lexus >> 2006 >> RX 400h FWD >> Repair and Diagnosis >> Electrical >> Body Electrical >> OEM System Circuits >> Automatic Light Control >> Notes

Automatic Light Control: Notes

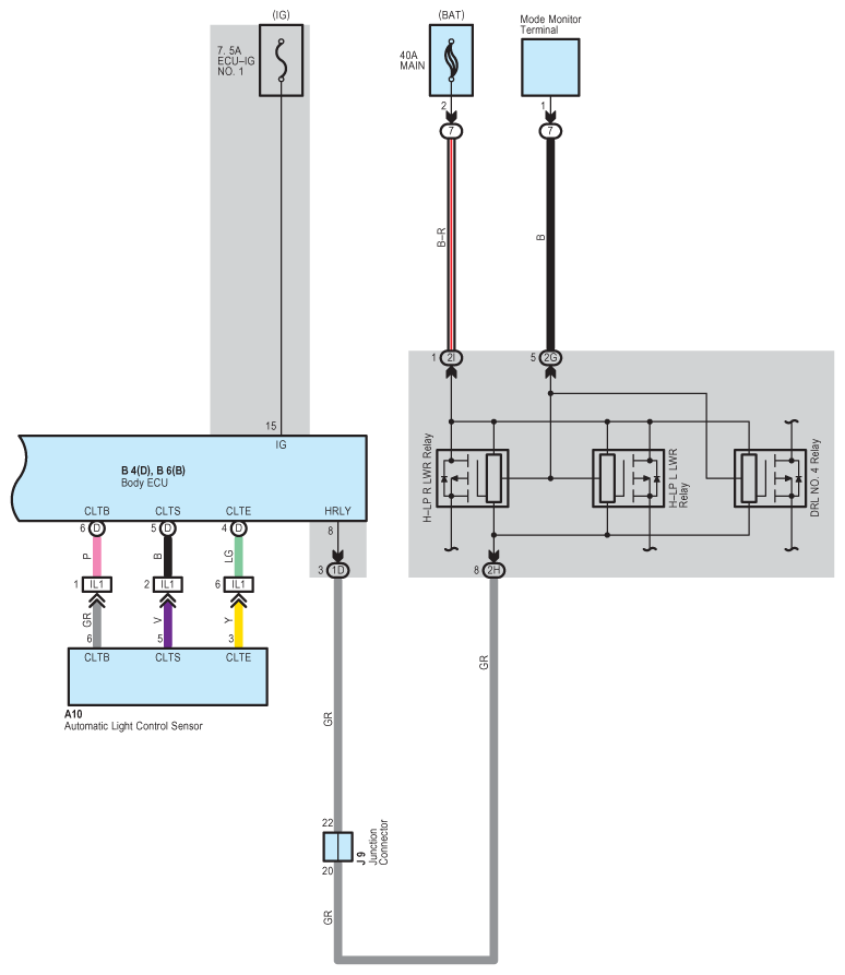
Fig 1: Automatic Light Control Wiring Diagram (1 Of 2)
G08914802Courtesy of © TOYOTA, LICENSE AGREEMENT TMS1002
Fig 2: Automatic Light Control Wiring Diagram (1 Of 2)
G08914803Courtesy of © TOYOTA, LICENSE AGREEMENT TMS1002