lemon-mirror:
Home >> Lexus >> 2006 >> RX 400h FWD >> Repair and Diagnosis >> Electrical >> Body Electrical >> OEM System Circuits >> Cruise Control >> Notes

Cruise Control: Notes

Fig 1: Cruise Control Wiring Diagram (1 Of 6)
G08914725Courtesy of © TOYOTA, LICENSE AGREEMENT TMS1002
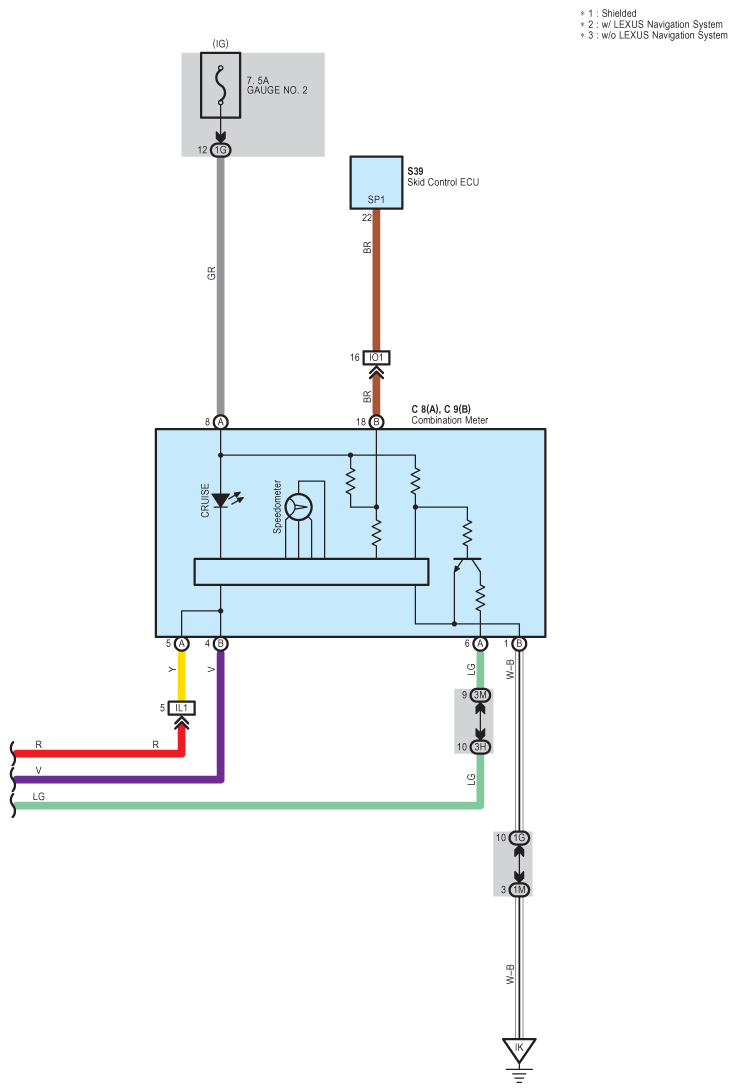
Fig 2: Cruise Control Wiring Diagram (2 Of 6)
G08914726Courtesy of © TOYOTA, LICENSE AGREEMENT TMS1002
Fig 3: Cruise Control Wiring Diagram (3 Of 6)
G08914727Courtesy of © TOYOTA, LICENSE AGREEMENT TMS1002
Fig 4: Cruise Control Wiring Diagram (4 Of 6)
G08914728Courtesy of © TOYOTA, LICENSE AGREEMENT TMS1002
Fig 5: Cruise Control Wiring Diagram (5 Of 6)
G08914729Courtesy of © TOYOTA, LICENSE AGREEMENT TMS1002
Fig 6: Cruise Control Wiring Diagram (6 Of 6)
G08914730Courtesy of © TOYOTA, LICENSE AGREEMENT TMS1002