lemon-mirror:
Home >> Lexus >> 2006 >> RX 400h FWD >> Repair and Diagnosis >> Electrical >> Body Electrical >> OEM System Circuits >> Door Lock Control >> Notes

Door Lock Control: Notes

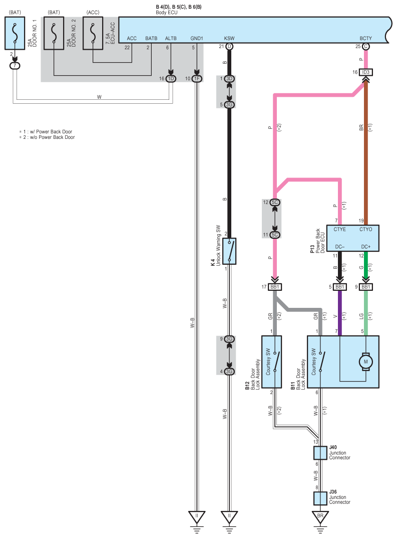
Fig 1: Door Lock Control Wiring Diagram (1 Of 8)
G08914814Courtesy of © TOYOTA, LICENSE AGREEMENT TMS1002
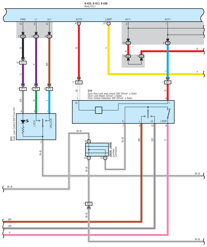
Fig 2: Door Lock Control Wiring Diagram (2 Of 8)
G08914815Courtesy of © TOYOTA, LICENSE AGREEMENT TMS1002
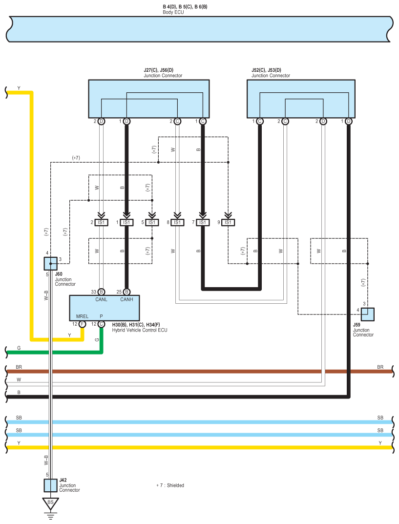
Fig 3: Door Lock Control Wiring Diagram (3 Of 8)
G08914816Courtesy of © TOYOTA, LICENSE AGREEMENT TMS1002
Fig 4: Door Lock Control Wiring Diagram (4 Of 8)
G08914817Courtesy of © TOYOTA, LICENSE AGREEMENT TMS1002
Fig 5: Door Lock Control Wiring Diagram (5 Of 8)
G08914818Courtesy of © TOYOTA, LICENSE AGREEMENT TMS1002
Fig 6: Door Lock Control Wiring Diagram (6 Of 8)
G08914819Courtesy of © TOYOTA, LICENSE AGREEMENT TMS1002
Fig 7: Door Lock Control Wiring Diagram (7 Of 8)
G08914820Courtesy of © TOYOTA, LICENSE AGREEMENT TMS1002
Fig 8: Door Lock Control Wiring Diagram (8 Of 8)
G08914821Courtesy of © TOYOTA, LICENSE AGREEMENT TMS1002