lemon-mirror:
Home >> Lexus >> 2006 >> RX 400h FWD >> Repair and Diagnosis >> Electrical >> Body Electrical >> OEM System Circuits >> Dynamic Laser Cruise Control >> Notes

Dynamic Laser Cruise Control: Notes

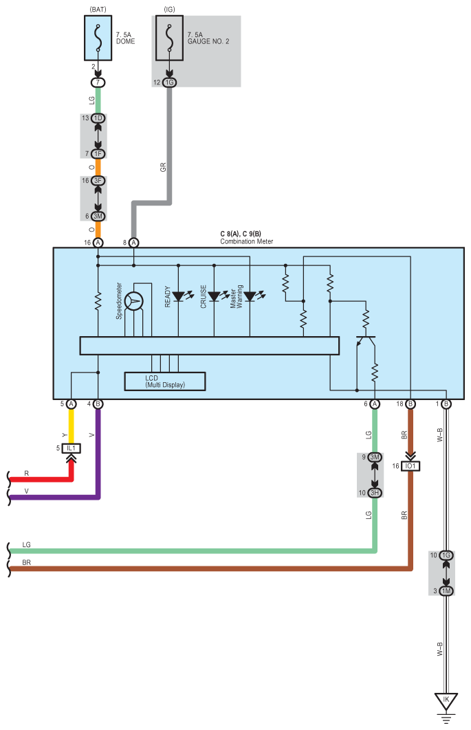
Fig 1: Dynamic Laser Cruise Control Wiring Diagram (1 Of 15)
G08914710Courtesy of © TOYOTA, LICENSE AGREEMENT TMS1002
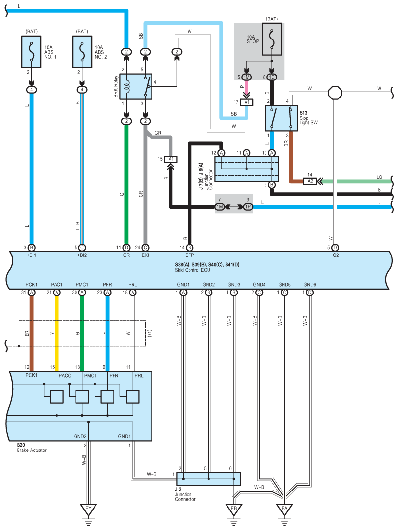
Fig 2: Dynamic Laser Cruise Control Wiring Diagram (2 Of 15)
G08914711Courtesy of © TOYOTA, LICENSE AGREEMENT TMS1002
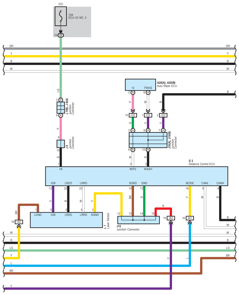
Fig 3: Dynamic Laser Cruise Control Wiring Diagram (3 Of 15)
G08914712Courtesy of © TOYOTA, LICENSE AGREEMENT TMS1002
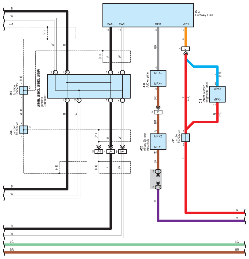
Fig 4: Dynamic Laser Cruise Control Wiring Diagram (4 Of 15)
G08914713Courtesy of © TOYOTA, LICENSE AGREEMENT TMS1002
Fig 5: Dynamic Laser Cruise Control Wiring Diagram (5 Of 15)
G08914714Courtesy of © TOYOTA, LICENSE AGREEMENT TMS1002
Fig 6: Dynamic Laser Cruise Control Wiring Diagram (6 Of 15)
G08914715Courtesy of © TOYOTA, LICENSE AGREEMENT TMS1002
Fig 7: Dynamic Laser Cruise Control Wiring Diagram (7 Of 15)
G08914716Courtesy of © TOYOTA, LICENSE AGREEMENT TMS1002
Fig 8: Dynamic Laser Cruise Control Wiring Diagram (8 Of 15)
G08914717Courtesy of © TOYOTA, LICENSE AGREEMENT TMS1002
Fig 9: Dynamic Laser Cruise Control Wiring Diagram (9 Of 15)
G08914718Courtesy of © TOYOTA, LICENSE AGREEMENT TMS1002
Fig 10: Dynamic Laser Cruise Control Wiring Diagram (10 Of 15)
G08914719Courtesy of © TOYOTA, LICENSE AGREEMENT TMS1002
Fig 11: Dynamic Laser Cruise Control Wiring Diagram (11 Of 15)
G08914720Courtesy of © TOYOTA, LICENSE AGREEMENT TMS1002
Fig 12: Dynamic Laser Cruise Control Wiring Diagram (12 Of 15)
G08914721Courtesy of © TOYOTA, LICENSE AGREEMENT TMS1002
Fig 13: Dynamic Laser Cruise Control Wiring Diagram (13 Of 15)
G08914722Courtesy of © TOYOTA, LICENSE AGREEMENT TMS1002
Fig 14: Dynamic Laser Cruise Control Wiring Diagram (14 Of 15)
G08914723Courtesy of © TOYOTA, LICENSE AGREEMENT TMS1002
Fig 15: Dynamic Laser Cruise Control Wiring Diagram (15 Of 15)
G08914724Courtesy of © TOYOTA, LICENSE AGREEMENT TMS1002