lemon-mirror:
Home >> Lexus >> 2006 >> RX 400h FWD >> Repair and Diagnosis >> Electrical >> Body Electrical >> OEM System Circuits >> Engine Control >> Notes

Engine Control: Notes

Fig 1: Engine Control Wiring Diagram (1 Of 12)
G08914683Courtesy of © TOYOTA, LICENSE AGREEMENT TMS1002
Fig 2: Engine Control Wiring Diagram (2 Of 12)
G08914684Courtesy of © TOYOTA, LICENSE AGREEMENT TMS1002
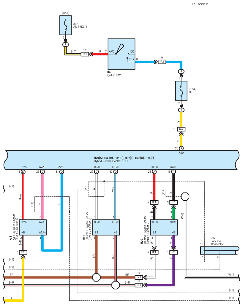
Fig 3: Engine Control Wiring Diagram (3 Of 12)
G08914685Courtesy of © TOYOTA, LICENSE AGREEMENT TMS1002
Fig 4: Engine Control Wiring Diagram (4 Of 12)
G08914686Courtesy of © TOYOTA, LICENSE AGREEMENT TMS1002
Fig 5: Engine Control Wiring Diagram (5 Of 12)
G08914687Courtesy of © TOYOTA, LICENSE AGREEMENT TMS1002
Fig 6: Engine Control Wiring Diagram (6 Of 12)
G08914688Courtesy of © TOYOTA, LICENSE AGREEMENT TMS1002
Fig 7: Engine Control Wiring Diagram (7 Of 12)
G08914689Courtesy of © TOYOTA, LICENSE AGREEMENT TMS1002
Fig 8: Engine Control Wiring Diagram (8 Of 12)
G08914690Courtesy of © TOYOTA, LICENSE AGREEMENT TMS1002
Fig 9: Engine Control Wiring Diagram (9 Of 12)
G08914691Courtesy of © TOYOTA, LICENSE AGREEMENT TMS1002
Fig 10: Engine Control Wiring Diagram (10 Of 12)
G08914692Courtesy of © TOYOTA, LICENSE AGREEMENT TMS1002
Fig 11: Engine Control Wiring Diagram (11 Of 12)
G08914693Courtesy of © TOYOTA, LICENSE AGREEMENT TMS1002
Fig 12: Engine Control Wiring Diagram (12 Of 12)
G08914694Courtesy of © TOYOTA, LICENSE AGREEMENT TMS1002