lemon-mirror:
Home >> Lexus >> 2006 >> RX 400h FWD >> Repair and Diagnosis >> Electrical >> Body Electrical >> OEM System Circuits >> Front Window Deicer >> Notes

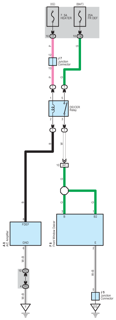
Front Window Deicer: Notes

Fig 1: Front Window Deicer Wiring Diagram
G08914856Courtesy of © TOYOTA, LICENSE AGREEMENT TMS1002