lemon-mirror:
Home >> Lexus >> 2006 >> RX 400h FWD >> Repair and Diagnosis >> Electrical >> Body Electrical >> OEM System Circuits >> Hybrid System >> Notes

Hybrid System: Notes

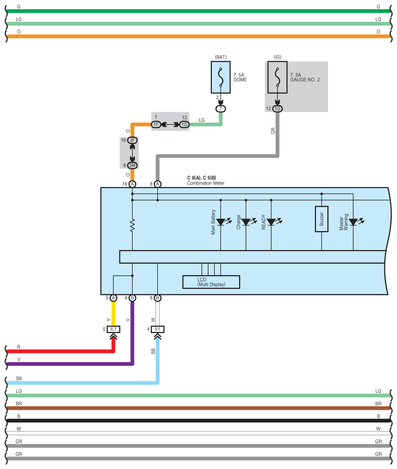
Fig 1: Hybrid System Wiring Diagram (1 Of 25)
G08914658Courtesy of © TOYOTA, LICENSE AGREEMENT TMS1002
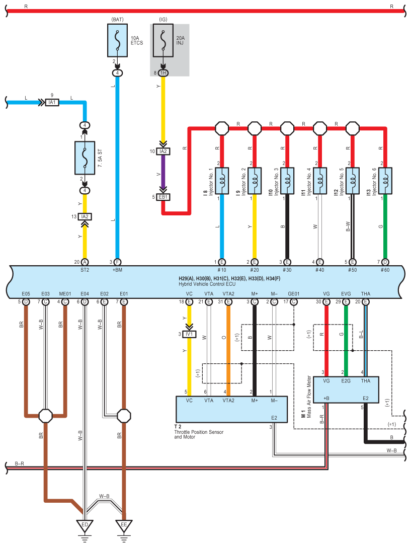
Fig 2: Hybrid System Wiring Diagram (2 Of 25)
G08914659Courtesy of © TOYOTA, LICENSE AGREEMENT TMS1002
Fig 3: Hybrid System Wiring Diagram (3 Of 25)
G08914660Courtesy of © TOYOTA, LICENSE AGREEMENT TMS1002
Fig 4: Hybrid System Wiring Diagram (4 Of 25)
G08914661Courtesy of © TOYOTA, LICENSE AGREEMENT TMS1002
Fig 5: Hybrid System Wiring Diagram (5 Of 25)
G08914662Courtesy of © TOYOTA, LICENSE AGREEMENT TMS1002
Fig 6: Hybrid System Wiring Diagram (6 Of 25)
G08914663Courtesy of © TOYOTA, LICENSE AGREEMENT TMS1002
Fig 7: Hybrid System Wiring Diagram (7 Of 25)
G08914664Courtesy of © TOYOTA, LICENSE AGREEMENT TMS1002
Fig 8: Hybrid System Wiring Diagram (8 Of 25)
G08914665Courtesy of © TOYOTA, LICENSE AGREEMENT TMS1002
Fig 9: Hybrid System Wiring Diagram (9 Of 25)
G08914666Courtesy of © TOYOTA, LICENSE AGREEMENT TMS1002
Fig 10: Hybrid System Wiring Diagram (10 Of 25)
G08914667Courtesy of © TOYOTA, LICENSE AGREEMENT TMS1002
Fig 11: Hybrid System Wiring Diagram (11 Of 25)
G08914668Courtesy of © TOYOTA, LICENSE AGREEMENT TMS1002
Fig 12: Hybrid System Wiring Diagram (12 Of 25)
G08914669Courtesy of © TOYOTA, LICENSE AGREEMENT TMS1002
Fig 13: Hybrid System Wiring Diagram (13 Of 25)
G08914670Courtesy of © TOYOTA, LICENSE AGREEMENT TMS1002
Fig 14: Hybrid System Wiring Diagram (14 Of 25)
G08914671Courtesy of © TOYOTA, LICENSE AGREEMENT TMS1002
Fig 15: Hybrid System Wiring Diagram (15 Of 25)
G08914672Courtesy of © TOYOTA, LICENSE AGREEMENT TMS1002
Fig 16: Hybrid System Wiring Diagram (16 Of 25)
G08914673Courtesy of © TOYOTA, LICENSE AGREEMENT TMS1002
Fig 17: Hybrid System Wiring Diagram (17 Of 25)
G08914674Courtesy of © TOYOTA, LICENSE AGREEMENT TMS1002
Fig 18: Hybrid System Wiring Diagram (18 Of 25)
G08914675Courtesy of © TOYOTA, LICENSE AGREEMENT TMS1002
Fig 19: Hybrid System Wiring Diagram (19 Of 25)
G08914676Courtesy of © TOYOTA, LICENSE AGREEMENT TMS1002
Fig 20: Hybrid System Wiring Diagram (20 Of 25)
G08914677Courtesy of © TOYOTA, LICENSE AGREEMENT TMS1002
Fig 21: Hybrid System Wiring Diagram (21 Of 25)
G08914678Courtesy of © TOYOTA, LICENSE AGREEMENT TMS1002
Fig 22: Hybrid System Wiring Diagram (22 Of 25)
G08914679Courtesy of © TOYOTA, LICENSE AGREEMENT TMS1002
Fig 23: Hybrid System Wiring Diagram (23 Of 25)
G08914680Courtesy of © TOYOTA, LICENSE AGREEMENT TMS1002
Fig 24: Hybrid System Wiring Diagram (24 Of 25)
G08914681Courtesy of © TOYOTA, LICENSE AGREEMENT TMS1002
Fig 25: Hybrid System Wiring Diagram (25 Of 25)
G08914682Courtesy of © TOYOTA, LICENSE AGREEMENT TMS1002