lemon-mirror:
Home >> Lexus >> 2006 >> RX 400h FWD >> Repair and Diagnosis >> Electrical >> Body Electrical >> OEM System Circuits >> SRS >> Notes

OEM System Circuits: SRS: Notes

NOTE: When inspecting or repairing the SRS, perform service in accordance with the following precautionary instructions and the procedure, and precautions in the Repair Manual applicable for the model year.
Fig 2: SRS Wiring Diagram (1 Of 4)
G08914778Courtesy of © TOYOTA, LICENSE AGREEMENT TMS1002
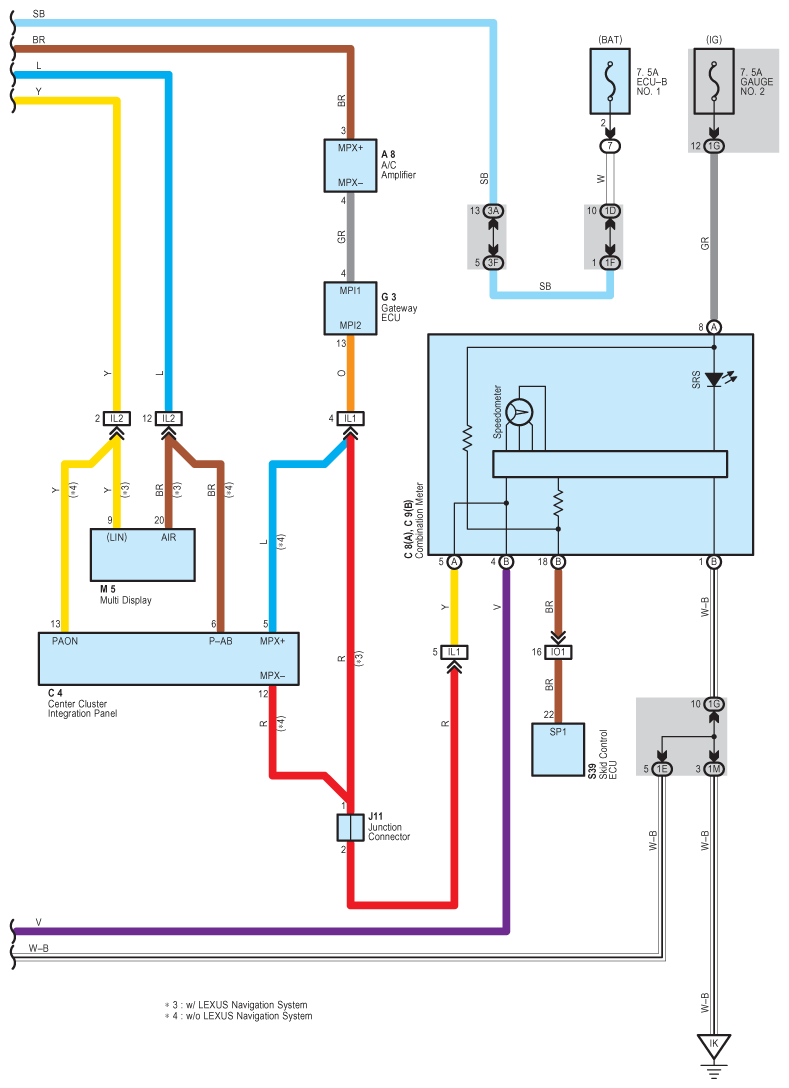
Fig 3: SRS Wiring Diagram (2 Of 4)
G08914779Courtesy of © TOYOTA, LICENSE AGREEMENT TMS1002
Fig 4: SRS Wiring Diagram (3 Of 4)
G08914780Courtesy of © TOYOTA, LICENSE AGREEMENT TMS1002
Fig 5: SRS Wiring Diagram (4 Of 4)
G08914781Courtesy of © TOYOTA, LICENSE AGREEMENT TMS1002