lemon-mirror:
Home >> Lexus >> 2006 >> RX 400h FWD >> Repair and Diagnosis >> Electrical >> Body Electrical >> OEM System Circuits >> Shift Control System >> Notes

Shift Control System: Notes

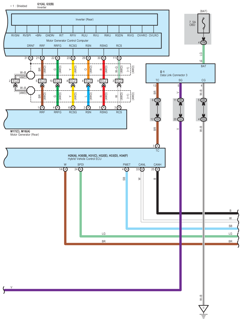
Fig 1: Shift Control System Wiring Diagram (1 Of 9)
G08914701Courtesy of © TOYOTA, LICENSE AGREEMENT TMS1002
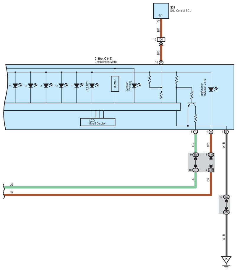
Fig 2: Shift Control System Wiring Diagram (2 Of 9)
G08914702Courtesy of © TOYOTA, LICENSE AGREEMENT TMS1002
Fig 3: Shift Control System Wiring Diagram (3 Of 9)
G08914703Courtesy of © TOYOTA, LICENSE AGREEMENT TMS1002
Fig 4: Shift Control System Wiring Diagram (4 Of 9)
G08914704Courtesy of © TOYOTA, LICENSE AGREEMENT TMS1002
Fig 5: Shift Control System Wiring Diagram (5 Of 9)
G08914705Courtesy of © TOYOTA, LICENSE AGREEMENT TMS1002
Fig 6: Shift Control System Wiring Diagram (6 Of 9)
G08914706Courtesy of © TOYOTA, LICENSE AGREEMENT TMS1002
Fig 7: Shift Control System Wiring Diagram (7 Of 9)
G08914707Courtesy of © TOYOTA, LICENSE AGREEMENT TMS1002
Fig 8: Shift Control System Wiring Diagram (8 Of 9)
G08914708Courtesy of © TOYOTA, LICENSE AGREEMENT TMS1002
Fig 9: Shift Control System Wiring Diagram (9 Of 9)
G08914709Courtesy of © TOYOTA, LICENSE AGREEMENT TMS1002