lemon-mirror:
Home >> Lexus >> 2006 >> RX 400h FWD >> Repair and Diagnosis >> Electrical >> Body Electrical >> OEM System Circuits >> Shift Lock >> Notes

Shift Lock: Notes

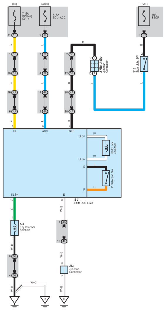
Fig 1: Shift Lock Wiring Diagram
G08914795Courtesy of © TOYOTA, LICENSE AGREEMENT TMS1002