lemon-mirror:
Home >> Lexus >> 2006 >> RX 400h FWD >> Repair and Diagnosis >> Electrical >> Body Electrical >> OEM System Circuits >> Taillight >> Notes

OEM System Circuits: Taillight: Notes

Fig 1: Taillight Wiring Diagram (1 Of 4)
G08914756Courtesy of © TOYOTA, LICENSE AGREEMENT TMS1002
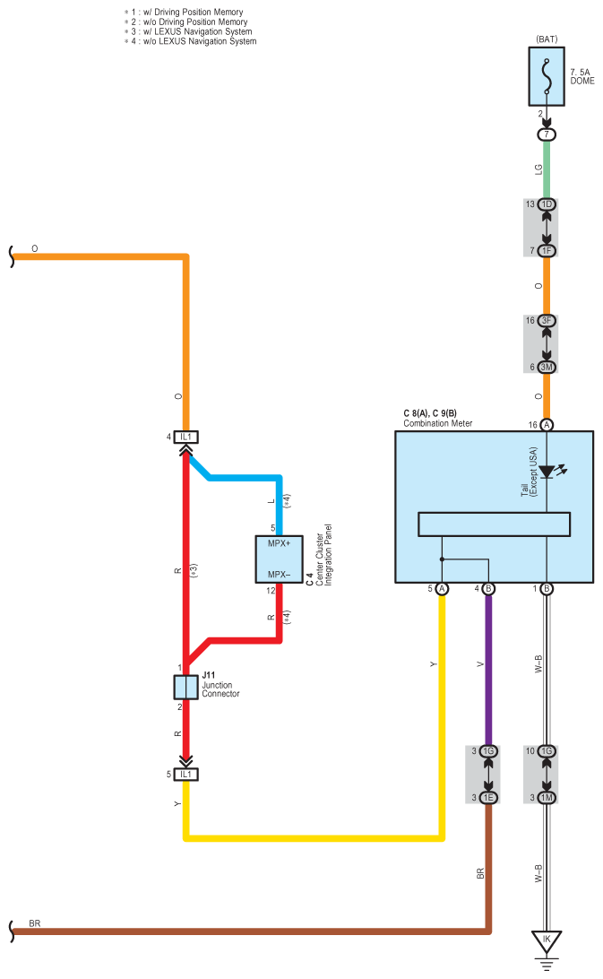
Fig 2: Taillight Wiring Diagram (2 Of 4)
G08914757Courtesy of © TOYOTA, LICENSE AGREEMENT TMS1002
Fig 3: Taillight Wiring Diagram (3 Of 4)
G08914758Courtesy of © TOYOTA, LICENSE AGREEMENT TMS1002
Fig 4: Taillight Wiring Diagram (4 Of 4)
G08914759Courtesy of © TOYOTA, LICENSE AGREEMENT TMS1002