lemon-mirror:
Home >> Lexus >> 2006 >> RX 400h FWD >> Repair and Diagnosis >> Engine Performance >> Engine Control System (3MZ-FE) >> SFI System >> System Diagram

System Diagram

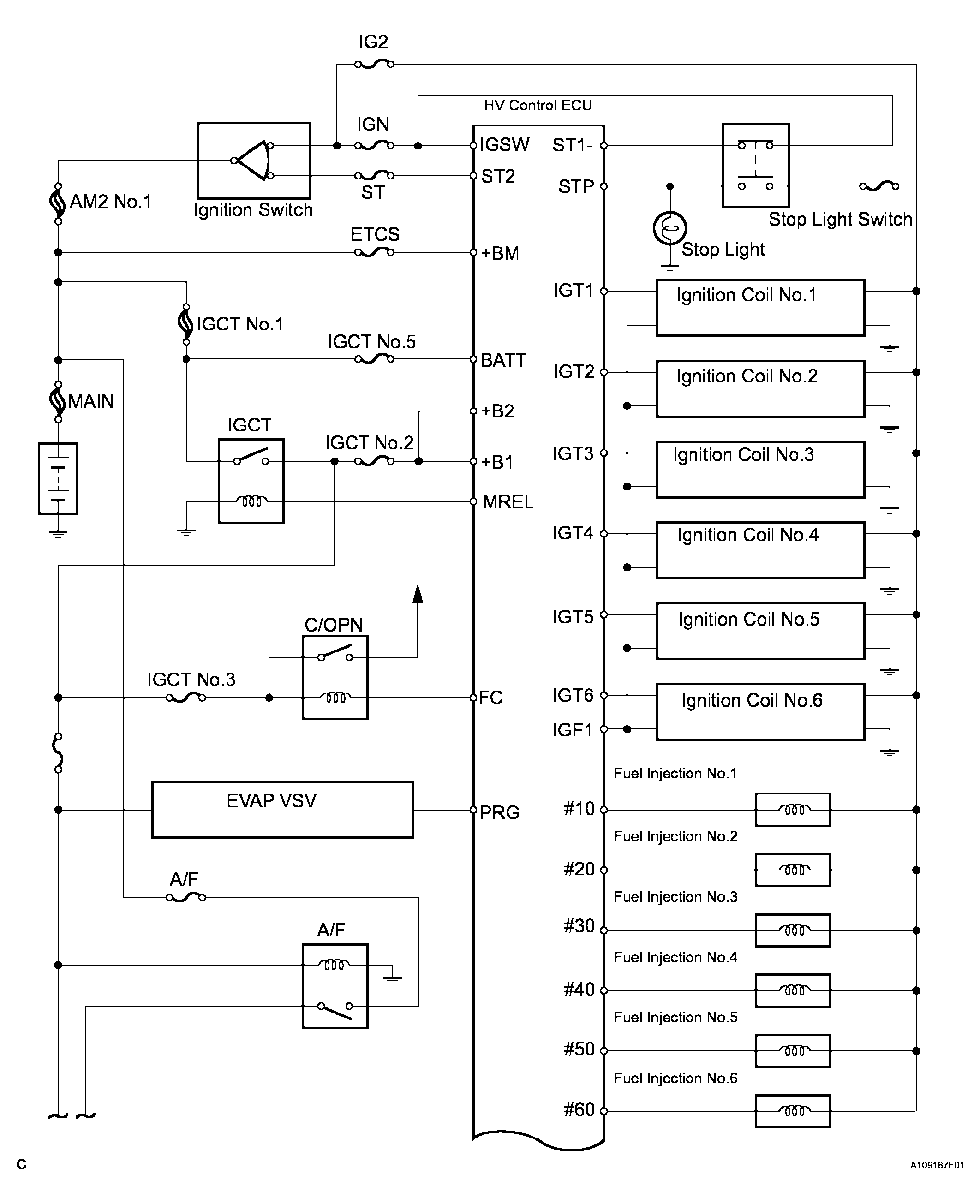
Fig 1: SFI System Diagram (1 Of 3)
G04110522Courtesy of © TOYOTA, LICENSE AGREEMENT TMS1002
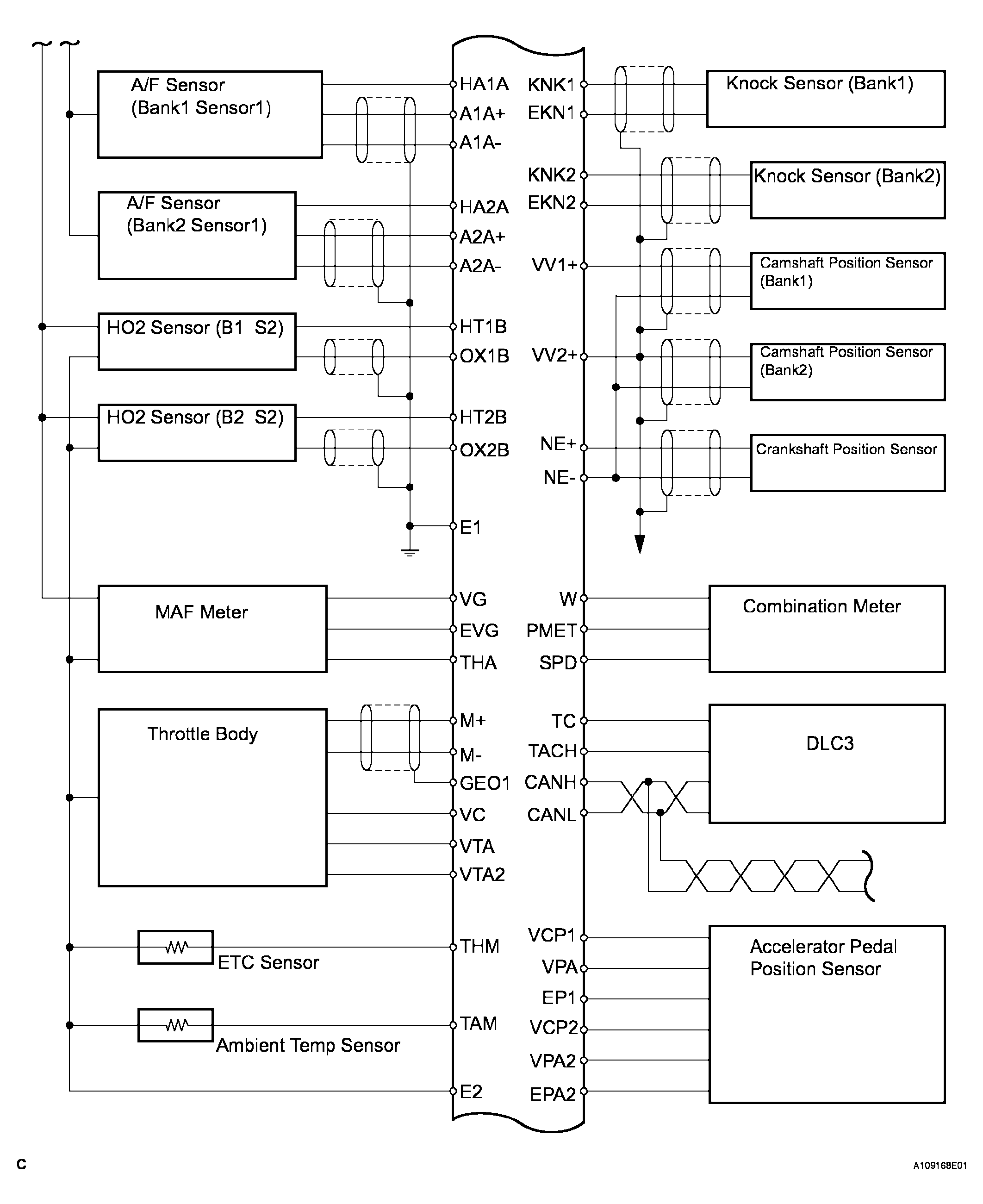
Fig 2: SFI System Diagram (2 Of 3)
G04110523Courtesy of © TOYOTA, LICENSE AGREEMENT TMS1002
Fig 3: SFI System Diagram (3 Of 3)
G04110524Courtesy of © TOYOTA, LICENSE AGREEMENT TMS1002