lemon-mirror:
Home >> Lexus >> 2006 >> SC 430 >> Repair and Diagnosis >> Electrical >> Body Electrical >> OEM Ground Points >> Ground Point >> Notes

Ground Point: Notes

Fig 1: Ground Point Wiring Diagram (1 Of 5)
G08930581Courtesy of © TOYOTA, LICENSE AGREEMENT TMS1002
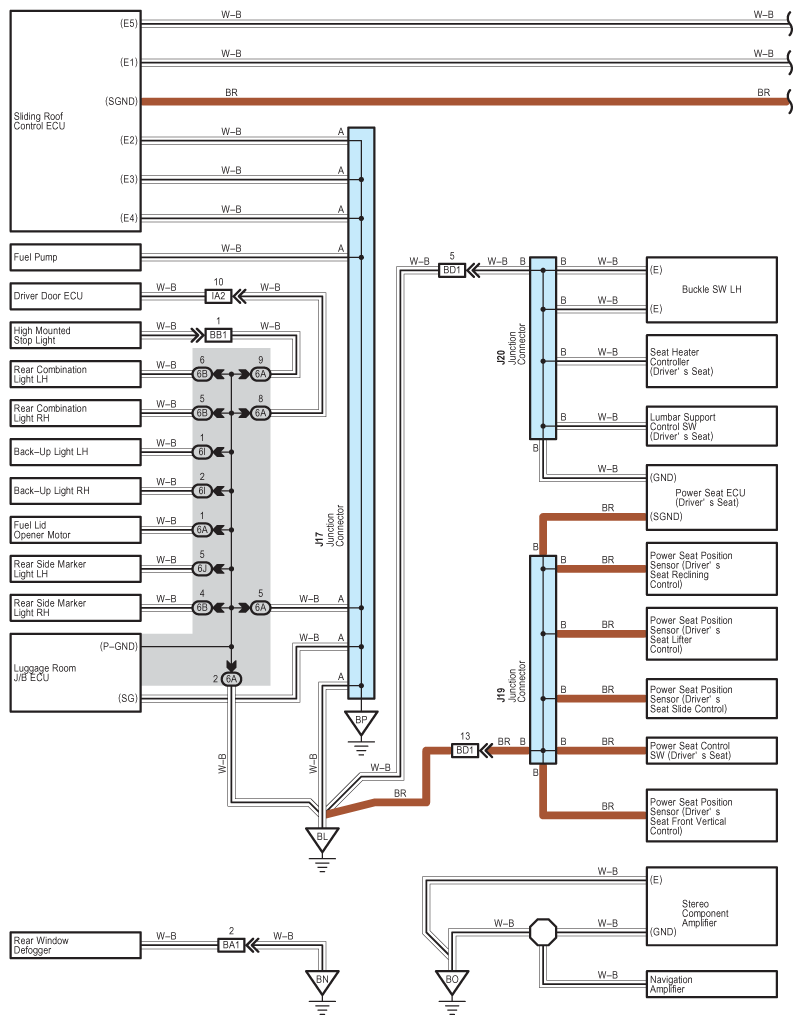
Fig 2: Ground Point Wiring Diagram (2 Of 5)
G08930582Courtesy of © TOYOTA, LICENSE AGREEMENT TMS1002
Fig 3: Ground Point Wiring Diagram (3 Of 5)
G08930583Courtesy of © TOYOTA, LICENSE AGREEMENT TMS1002
Fig 4: Ground Point Wiring Diagram (4 Of 5)
G08930584Courtesy of © TOYOTA, LICENSE AGREEMENT TMS1002
Fig 5: Ground Point Wiring Diagram (5 Of 5)
G08930585Courtesy of © TOYOTA, LICENSE AGREEMENT TMS1002