lemon-mirror:
Home >> Lexus >> 2006 >> SC 430 >> Repair and Diagnosis >> Electrical >> Body Electrical >> OEM System Circuits >> Audio System >> Notes

Audio System: Notes

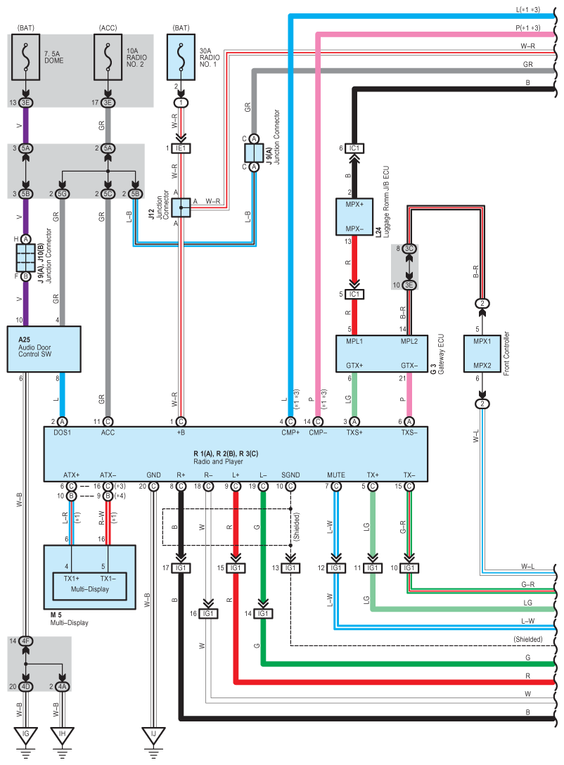
Fig 1: Audio System - Wiring Diagram (1 Of 3)
G08930565Courtesy of © TOYOTA, LICENSE AGREEMENT TMS1002
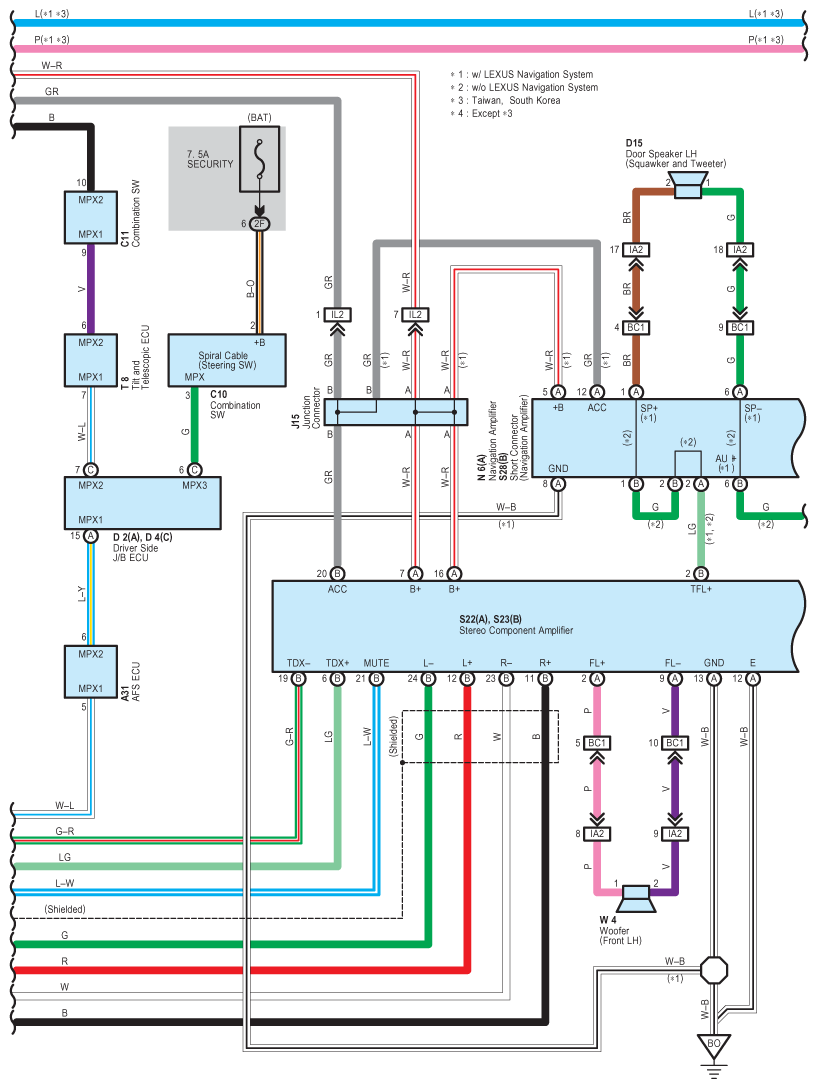
Fig 2: Audio System - Wiring Diagram (2 Of 3)
G08930566Courtesy of © TOYOTA, LICENSE AGREEMENT TMS1002
Fig 3: Audio System - Wiring Diagram (3 Of 3)
G08930567Courtesy of © TOYOTA, LICENSE AGREEMENT TMS1002