lemon-mirror:
Home >> Lexus >> 2006 >> SC 430 >> Repair and Diagnosis >> Electrical >> Body Electrical >> OEM System Circuits >> ECT and A/T Indicator >> Notes

ECT and A/T Indicator: Notes

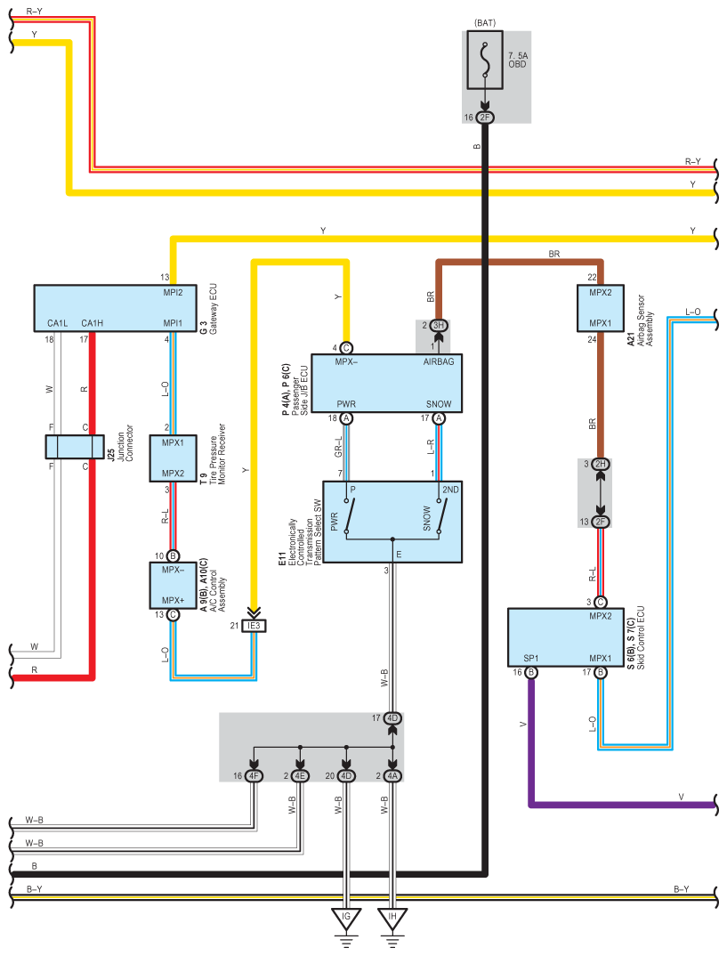
Fig 1: ECT And A/T Indicator - Wiring Diagram (1 Of 6)
G08930517Courtesy of © TOYOTA, LICENSE AGREEMENT TMS1002
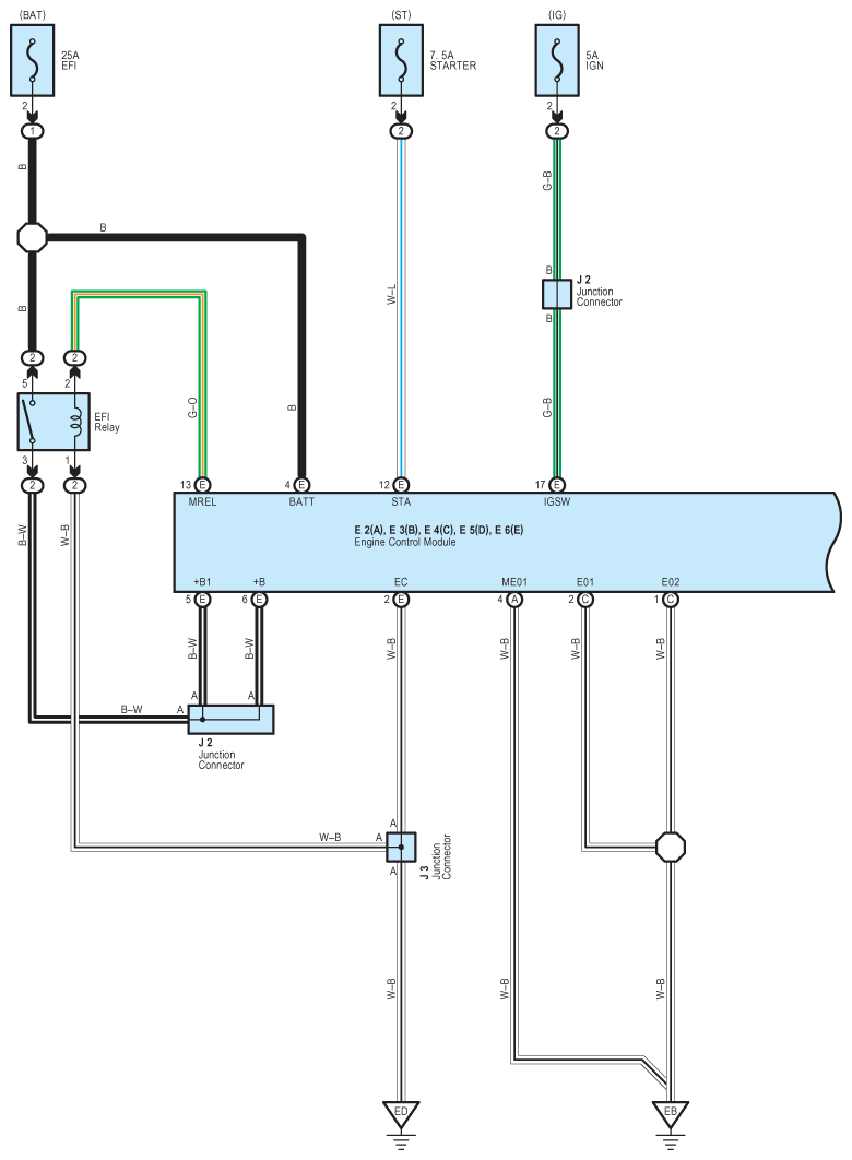
Fig 2: ECT And A/T Indicator - Wiring Diagram (2 Of 6)
G08930518Courtesy of © TOYOTA, LICENSE AGREEMENT TMS1002
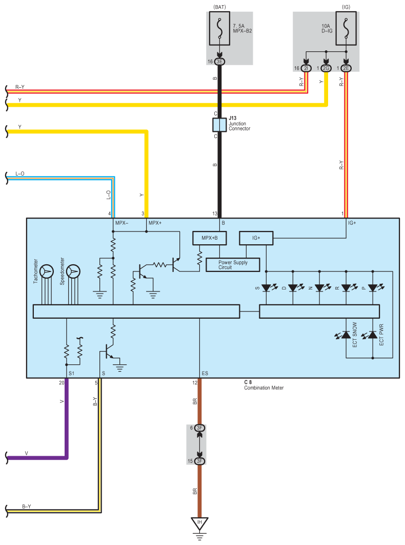
Fig 3: ECT And A/T Indicator - Wiring Diagram (3 Of 6)
G08930519Courtesy of © TOYOTA, LICENSE AGREEMENT TMS1002
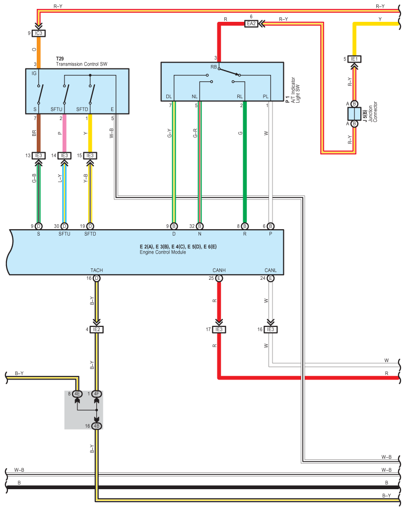
Fig 4: ECT And A/T Indicator - Wiring Diagram (4 Of 6)
G08930520Courtesy of © TOYOTA, LICENSE AGREEMENT TMS1002
Fig 5: ECT And A/T Indicator - Wiring Diagram (5 Of 6)
G08930521Courtesy of © TOYOTA, LICENSE AGREEMENT TMS1002
Fig 6: ECT And A/T Indicator - Wiring Diagram (6 Of 6)
G08930522Courtesy of © TOYOTA, LICENSE AGREEMENT TMS1002