lemon-mirror:
Home >> Lexus >> 2006 >> SC 430 >> Repair and Diagnosis >> Electrical >> Body Electrical >> OEM System Circuits >> Multiplex Communication System - Door ECU >> Notes

Multiplex Communication System - Door ECU: Notes

Fig 1: Multiplex Communication System - Door ECU - Wiring Diagram (1 Of 7)
G08930448Courtesy of © TOYOTA, LICENSE AGREEMENT TMS1002
Fig 2: Multiplex Communication System - Door ECU - Wiring Diagram (2 Of 7)
G08930449Courtesy of © TOYOTA, LICENSE AGREEMENT TMS1002
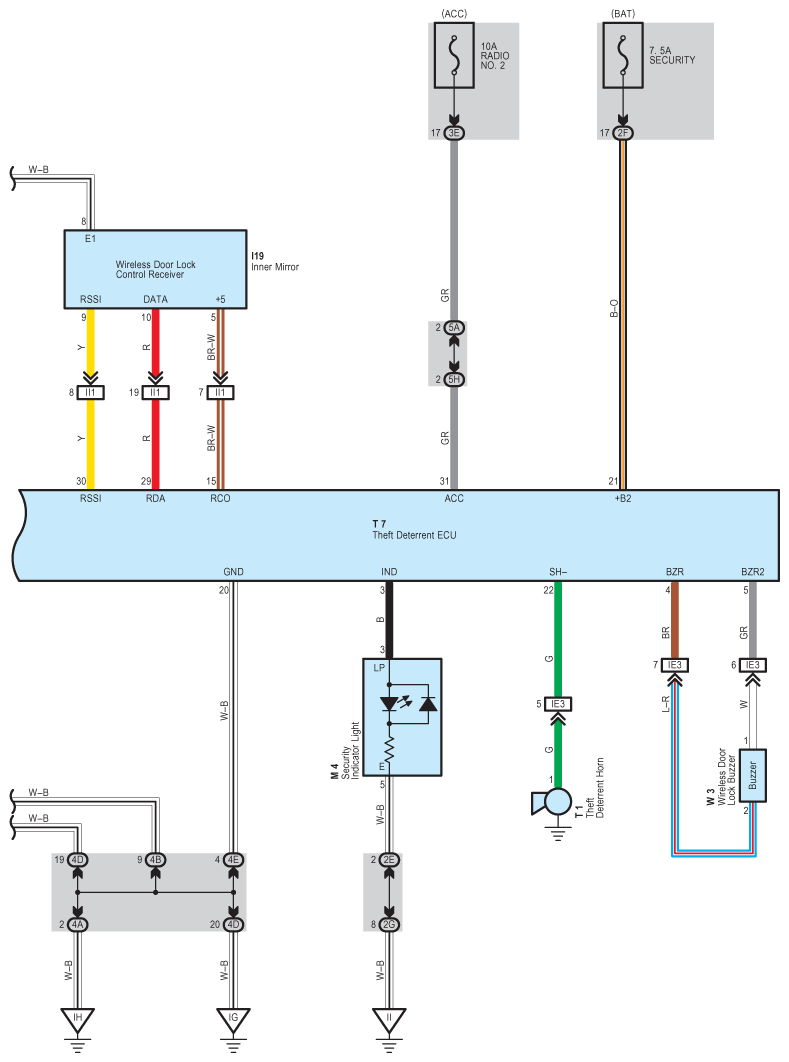
Fig 3: Multiplex Communication System - Door ECU - Wiring Diagram (3 Of 7)
G08930450Courtesy of © TOYOTA, LICENSE AGREEMENT TMS1002
Fig 4: Multiplex Communication System - Door ECU - Wiring Diagram (4 Of 7)
G08930451Courtesy of © TOYOTA, LICENSE AGREEMENT TMS1002
Fig 5: Multiplex Communication System - Door ECU - Wiring Diagram (5 Of 7)
G08930452Courtesy of © TOYOTA, LICENSE AGREEMENT TMS1002
Fig 6: Multiplex Communication System - Door ECU - Wiring Diagram (6 Of 7)
G08930453Courtesy of © TOYOTA, LICENSE AGREEMENT TMS1002
Fig 7: Multiplex Communication System - Door ECU - Wiring Diagram (7 Of 7)
G08930454Courtesy of © TOYOTA, LICENSE AGREEMENT TMS1002