lemon-mirror:
Home >> Lexus >> 2006 >> SC 430 >> Repair and Diagnosis >> Electrical >> Body Electrical >> OEM System Circuits >> SRS >> Notes

OEM System Circuits: SRS: Notes

NOTE: When inspecting or repairing the SRS, perform service in accordance with the following precautionary instructions and the procedure, and precautions in the Repair Manual applicable for the model year.
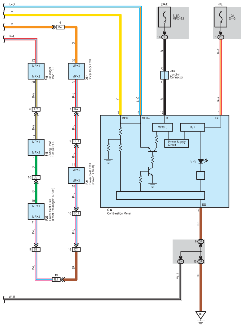
Fig 2: SRS - Wiring Diagram (1 Of 4)
G08930534Courtesy of © TOYOTA, LICENSE AGREEMENT TMS1002
Fig 3: SRS - Wiring Diagram (2 Of 4)
G08930535Courtesy of © TOYOTA, LICENSE AGREEMENT TMS1002
Fig 4: SRS - Wiring Diagram (3 Of 4)
G08930536Courtesy of © TOYOTA, LICENSE AGREEMENT TMS1002
Fig 5: SRS - Wiring Diagram (4 Of 4)
G08930537Courtesy of © TOYOTA, LICENSE AGREEMENT TMS1002