lemon-mirror:
Home >> Lexus >> 2006 >> SC 430 >> Repair and Diagnosis >> Electrical >> Body Electrical >> OEM System Circuits >> Starting and Ignition >> Notes

Starting and Ignition: Notes

Fig 1: Starting And Ignition - Wiring Diagram (1 Of 2)
G08930409Courtesy of © TOYOTA, LICENSE AGREEMENT TMS1002
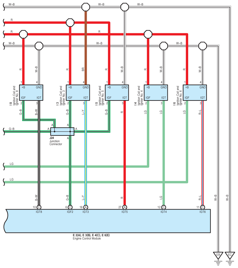
Fig 2: Starting And Ignition - Wiring Diagram (2 Of 2)
G08930410Courtesy of © TOYOTA, LICENSE AGREEMENT TMS1002