lemon-mirror:
Home >> Lexus >> 2006 >> SC 430 >> Repair and Diagnosis >> Electrical >> Body Electrical >> OEM System Circuits >> Tire Pressure Warning System >> Notes

Tire Pressure Warning System: Notes

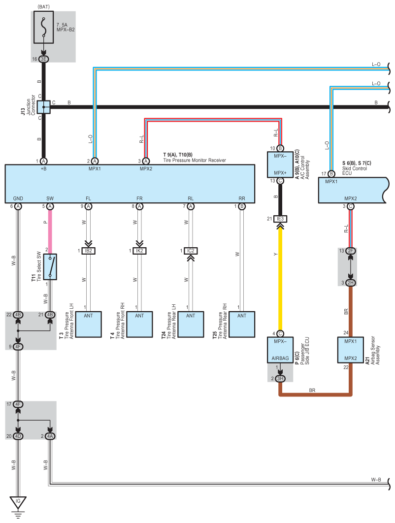
Fig 1: Tire Pressure Warning System - Wiring Diagram (1 Of 2)
G08930538Courtesy of © TOYOTA, LICENSE AGREEMENT TMS1002
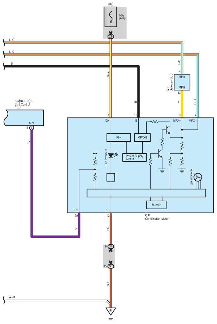
Fig 2: Tire Pressure Warning System - Wiring Diagram (2 Of 2)
G08930539Courtesy of © TOYOTA, LICENSE AGREEMENT TMS1002