lemon-mirror:
Home >> Lexus >> 2006 >> SC 430 >> Repair and Diagnosis >> Electrical >> Body Electrical >> OEM System Circuits >> Wiper and Washer >> Notes

Wiper and Washer: Notes

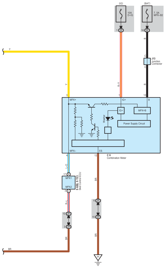
Fig 1: Wiper And Washer - Wiring Diagram (1 Of 3)
G08930514Courtesy of © TOYOTA, LICENSE AGREEMENT TMS1002
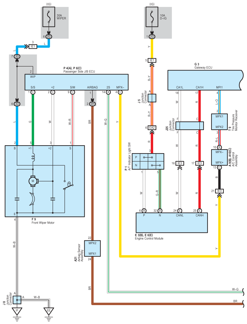
Fig 2: Wiper And Washer - Wiring Diagram (2 Of 3)
G08930515Courtesy of © TOYOTA, LICENSE AGREEMENT TMS1002
Fig 3: Wiper And Washer - Wiring Diagram (3 Of 3)
G08930516Courtesy of © TOYOTA, LICENSE AGREEMENT TMS1002