lemon-mirror:
Home >> Lexus >> 2007 >> ES 350 >> Repair and Diagnosis >> Electrical >> Body Electrical >> OEM System Circuits >> Front Fog Light >> Notes

Front Fog Light: Notes

Fig 1: Front Fog Light System Wiring Diagram (1 Of 4)
G08916802Courtesy of © TOYOTA, LICENSE AGREEMENT TMS1002
Fig 2: Front Fog Light System Wiring Diagram (2 Of 4)
G08916803Courtesy of © TOYOTA, LICENSE AGREEMENT TMS1002
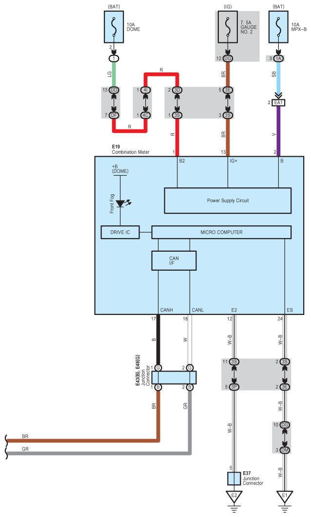
Fig 3: Front Fog Light System Wiring Diagram (3 Of 4)
G08916804Courtesy of © TOYOTA, LICENSE AGREEMENT TMS1002
Fig 4: Front Fog Light System Wiring Diagram (4 Of 4)
G08916805Courtesy of © TOYOTA, LICENSE AGREEMENT TMS1002