lemon-mirror:
Home >> Lexus >> 2007 >> ES 350 >> Repair and Diagnosis >> Electrical >> Body Electrical >> OEM System Circuits >> Pre-Collision System >> Notes

Pre-Collision System: Notes

Fig 1: Pre-Collision System Wiring Diagram (1 Of 4)
G08916896Courtesy of © TOYOTA, LICENSE AGREEMENT TMS1002
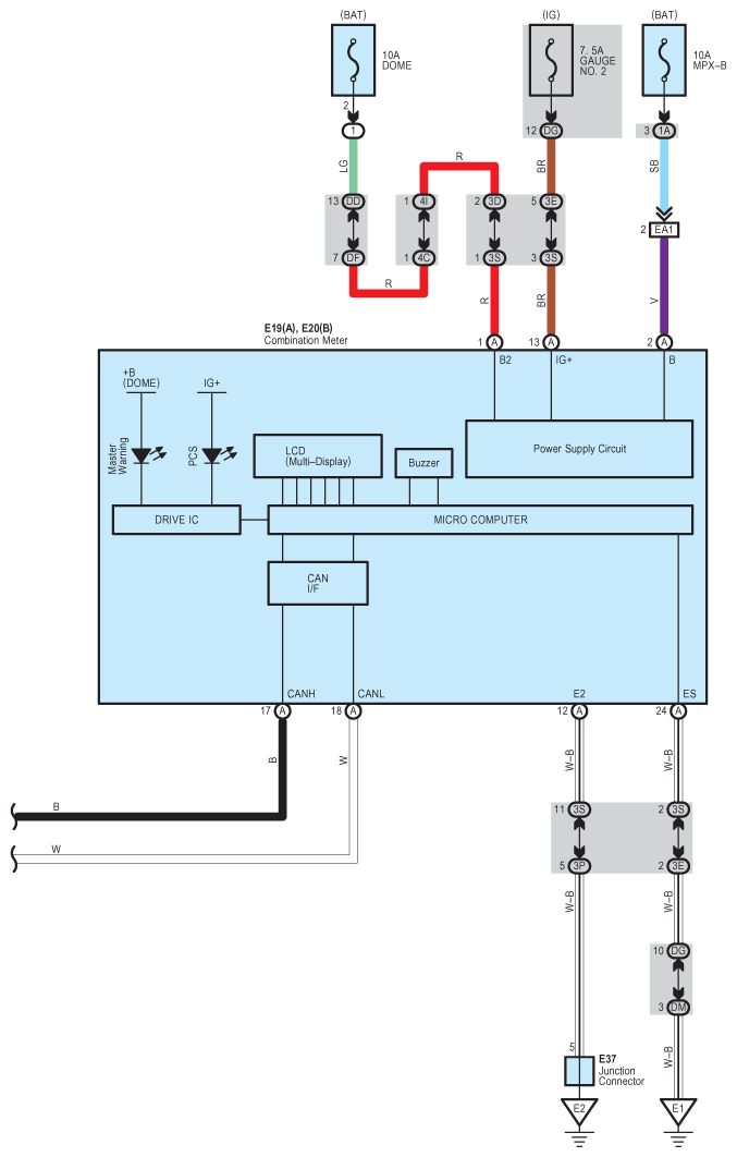
Fig 2: Pre-Collision System Wiring Diagram (2 Of 4)
G08916897Courtesy of © TOYOTA, LICENSE AGREEMENT TMS1002
Fig 3: Pre-Collision System Wiring Diagram (3 Of 4)
G08916898Courtesy of © TOYOTA, LICENSE AGREEMENT TMS1002
Fig 4: Pre-Collision System Wiring Diagram (4 Of 4)
G08916899Courtesy of © TOYOTA, LICENSE AGREEMENT TMS1002