lemon-mirror:
Home >> Lexus >> 2007 >> ES 350 >> Repair and Diagnosis >> Electrical >> Body Electrical >> OEM System Circuits >> Rear Fog Light >> Notes

Rear Fog Light: Notes

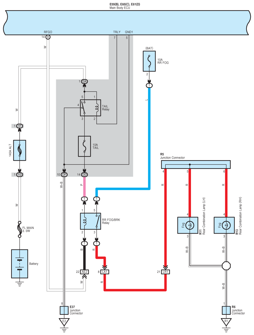
Fig 1: Rear Fog Light System Wiring Diagram (1 Of 4)
G08916806Courtesy of © TOYOTA, LICENSE AGREEMENT TMS1002
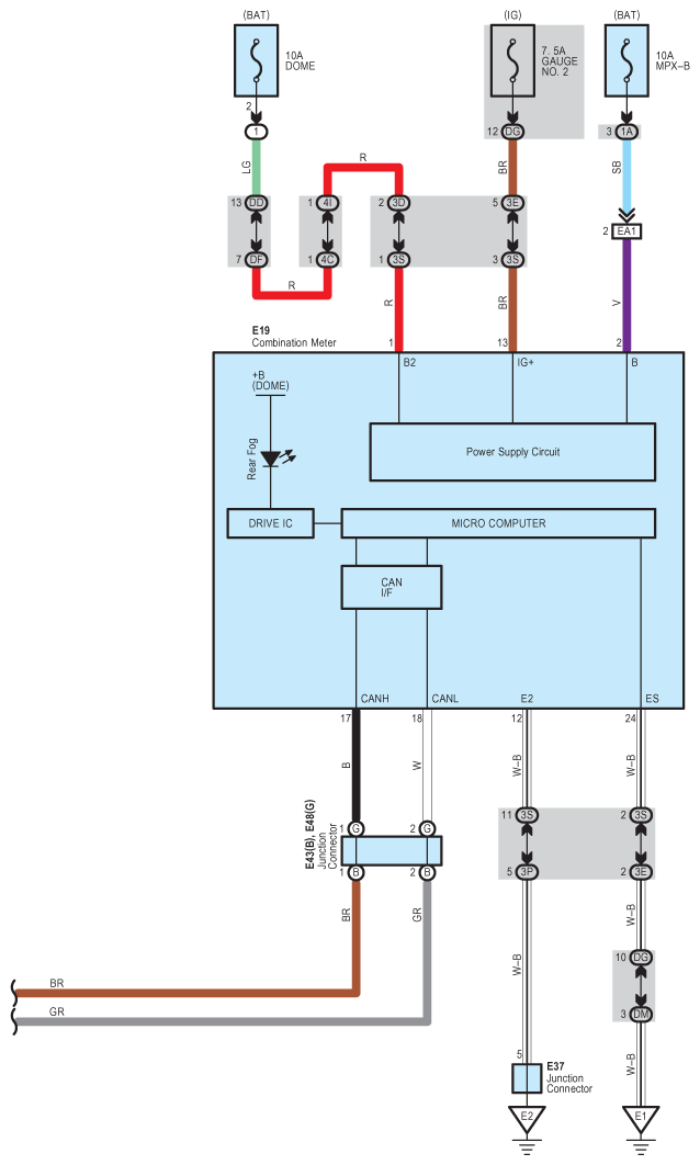
Fig 2: Rear Fog Light System Wiring Diagram (2 Of 4)
G08916807Courtesy of © TOYOTA, LICENSE AGREEMENT TMS1002
Fig 3: Rear Fog Light System Wiring Diagram (3 Of 4)
G08916808Courtesy of © TOYOTA, LICENSE AGREEMENT TMS1002
Fig 4: Rear Fog Light System Wiring Diagram (4 Of 4)
G08916809Courtesy of © TOYOTA, LICENSE AGREEMENT TMS1002