lemon-mirror:
Home >> Lexus >> 2007 >> GS 430 >> Repair and Diagnosis >> Electrical >> Body Electrical >> OEM Ground Points >> Ground Points >> Notes

Ground Points: Notes

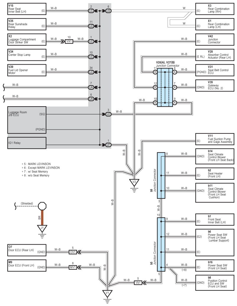
Fig 1: Ground Point Wiring Diagram (1 Of 8)
G08916002Courtesy of © TOYOTA, LICENSE AGREEMENT TMS1002
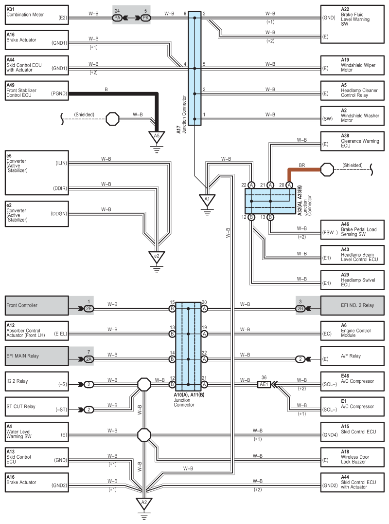
Fig 2: Ground Point Wiring Diagram (2 Of 8)
G08916003Courtesy of © TOYOTA, LICENSE AGREEMENT TMS1002
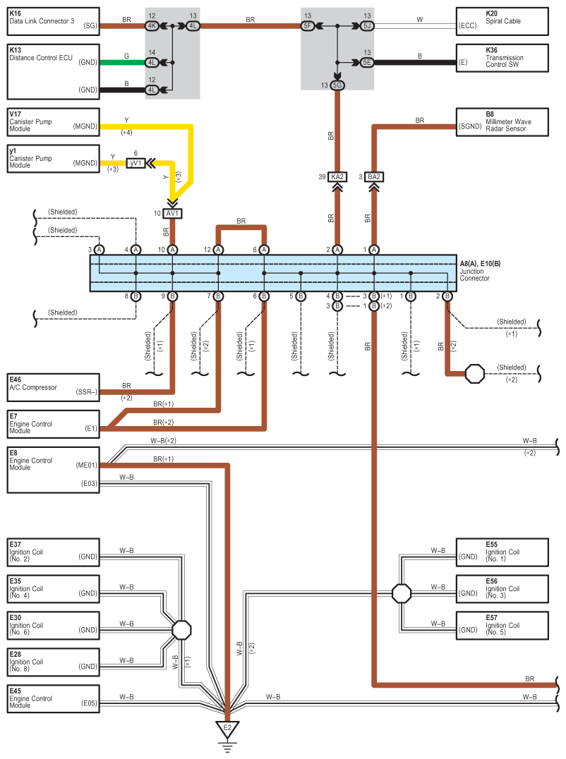
Fig 3: Ground Point Wiring Diagram (3 Of 8)
G08916004Courtesy of © TOYOTA, LICENSE AGREEMENT TMS1002
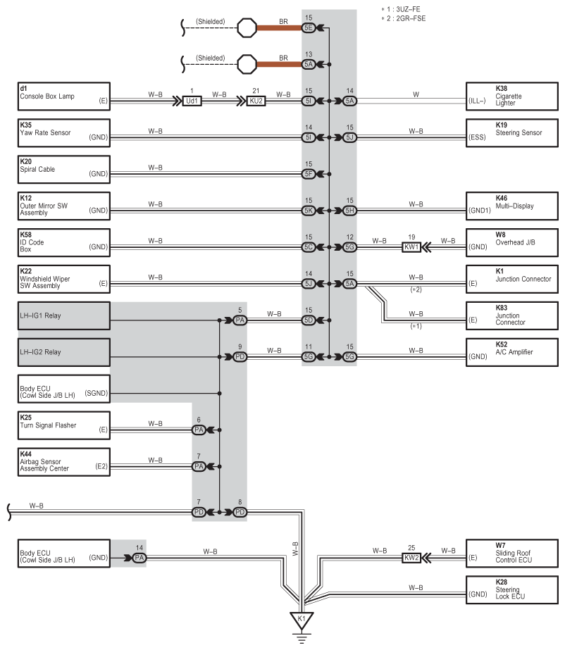
Fig 4: Ground Point Wiring Diagram (4 Of 8)
G08916005Courtesy of © TOYOTA, LICENSE AGREEMENT TMS1002
Fig 5: Ground Point Wiring Diagram (5 Of 8)
G08916006Courtesy of © TOYOTA, LICENSE AGREEMENT TMS1002
Fig 6: Ground Point Wiring Diagram (6 Of 8)
G08916007Courtesy of © TOYOTA, LICENSE AGREEMENT TMS1002
Fig 7: Ground Point Wiring Diagram (7 Of 8)
G08916008Courtesy of © TOYOTA, LICENSE AGREEMENT TMS1002
Fig 8: Ground Point Wiring Diagram (8 Of 8)
G08916009Courtesy of © TOYOTA, LICENSE AGREEMENT TMS1002