lemon-mirror:
Home >> Lexus >> 2007 >> GS 430 >> Repair and Diagnosis >> Electrical >> Body Electrical >> OEM System Circuits >> Active Stabilizer Suspension System >> Notes

Active Stabilizer Suspension System: Notes

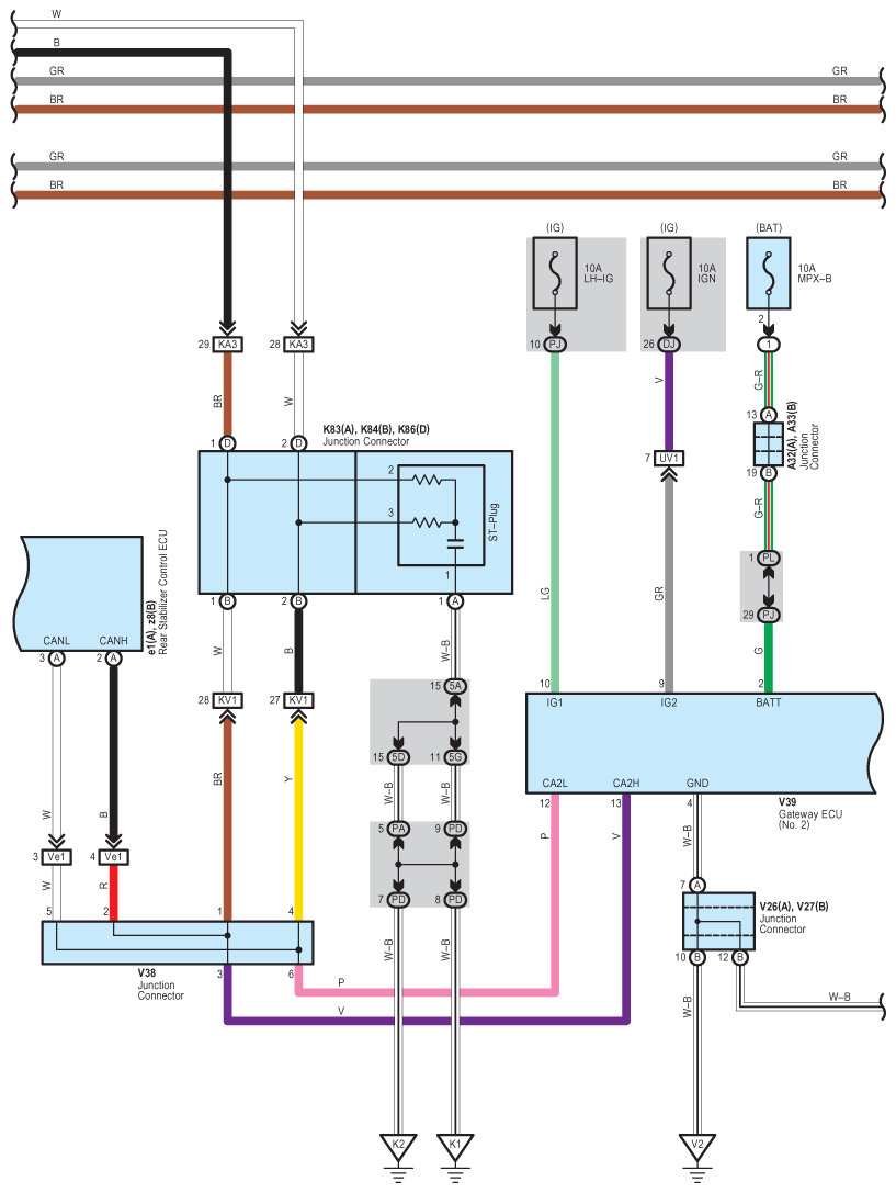
Fig 1: Active Stabilizer Suspension System Wiring Diagram (1 Of 7)
G08915863Courtesy of © TOYOTA, LICENSE AGREEMENT TMS1002
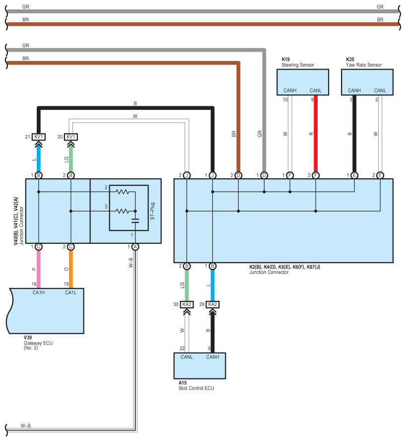
Fig 2: Active Stabilizer Suspension System Wiring Diagram (2 Of 7)
G08915864Courtesy of © TOYOTA, LICENSE AGREEMENT TMS1002
Fig 3: Active Stabilizer Suspension System Wiring Diagram (3 Of 7)
G08915865Courtesy of © TOYOTA, LICENSE AGREEMENT TMS1002
Fig 4: Active Stabilizer Suspension System Wiring Diagram (4 Of 7)
G08915866Courtesy of © TOYOTA, LICENSE AGREEMENT TMS1002
Fig 5: Active Stabilizer Suspension System Wiring Diagram (5 Of 7)
G08915867Courtesy of © TOYOTA, LICENSE AGREEMENT TMS1002
Fig 6: Active Stabilizer Suspension System Wiring Diagram (6 Of 7)
G08915868Courtesy of © TOYOTA, LICENSE AGREEMENT TMS1002
Fig 7: Active Stabilizer Suspension System Wiring Diagram (7 Of 7)
G08915869Courtesy of © TOYOTA, LICENSE AGREEMENT TMS1002