lemon-mirror:
Home >> Lexus >> 2007 >> GS 430 >> Repair and Diagnosis >> Electrical >> Body Electrical >> OEM System Circuits >> Charging >> Notes

OEM System Circuits: Charging: Notes

Fig 1: Charging System Wiring Diagram (1 Of 3)
G08915586Courtesy of © TOYOTA, LICENSE AGREEMENT TMS1002
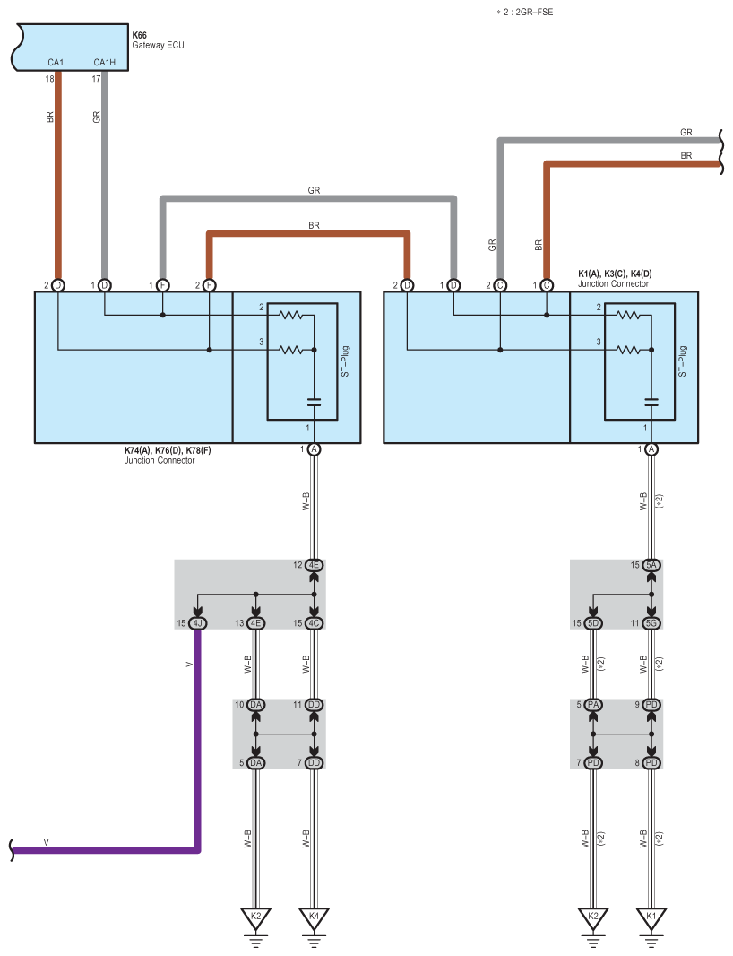
Fig 2: Charging System Wiring Diagram (2 Of 3)
G08915587Courtesy of © TOYOTA, LICENSE AGREEMENT TMS1002
Fig 3: Charging System Wiring Diagram (3 Of 3)
G08915588Courtesy of © TOYOTA, LICENSE AGREEMENT TMS1002