lemon-mirror:
Home >> Lexus >> 2007 >> GS 430 >> Repair and Diagnosis >> Electrical >> Body Electrical >> OEM System Circuits >> Cruise Control for 2GR-FSE >> Notes

Cruise Control for 2GR-FSE: Notes

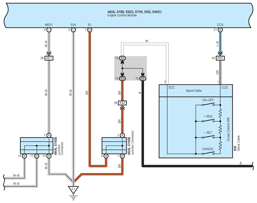
Fig 1: Cruise Control For 2GR-FSE System Wiring Diagram (1 Of 8)
G08915807Courtesy of © TOYOTA, LICENSE AGREEMENT TMS1002
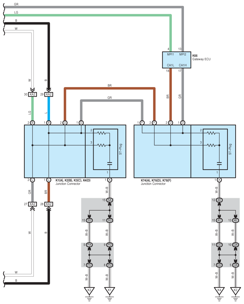
Fig 2: Cruise Control For 2GR-FSE System Wiring Diagram (2 Of 8)
G08915808Courtesy of © TOYOTA, LICENSE AGREEMENT TMS1002
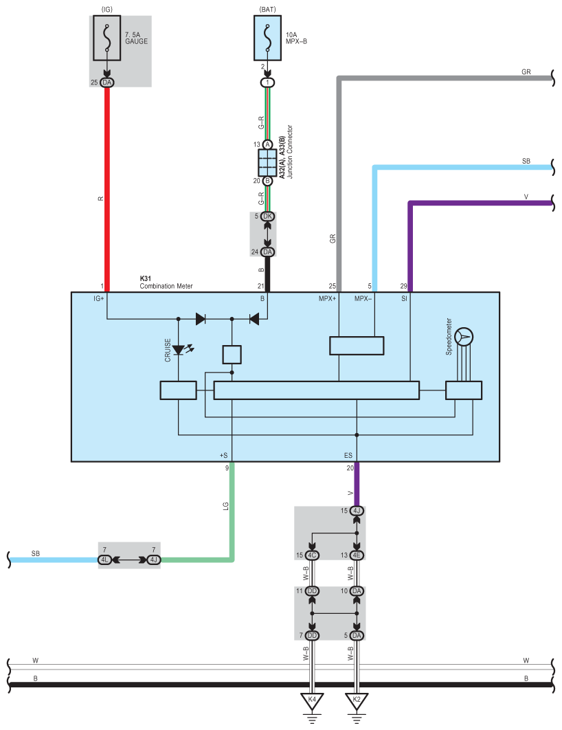
Fig 3: Cruise Control For 2GR-FSE System Wiring Diagram (3 Of 8)
G08915809Courtesy of © TOYOTA, LICENSE AGREEMENT TMS1002
Fig 4: Cruise Control For 2GR-FSE System Wiring Diagram (4 Of 8)
G08915810Courtesy of © TOYOTA, LICENSE AGREEMENT TMS1002
Fig 5: Cruise Control For 2GR-FSE System Wiring Diagram (5 Of 8)
G08915811Courtesy of © TOYOTA, LICENSE AGREEMENT TMS1002
Fig 6: Cruise Control For 2GR-FSE System Wiring Diagram (6 Of 8)
G08915812Courtesy of © TOYOTA, LICENSE AGREEMENT TMS1002
Fig 7: Cruise Control For 2GR-FSE System Wiring Diagram (7 Of 8)
G08915813Courtesy of © TOYOTA, LICENSE AGREEMENT TMS1002
Fig 8: Cruise Control For 2GR-FSE System Wiring Diagram (8 Of 8)
G08915814Courtesy of © TOYOTA, LICENSE AGREEMENT TMS1002