lemon-mirror:
Home >> Lexus >> 2007 >> GS 430 >> Repair and Diagnosis >> Electrical >> Body Electrical >> OEM System Circuits >> Door Lock Control >> Notes

Door Lock Control: Notes

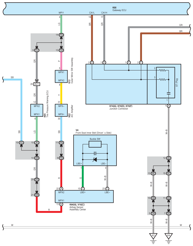
Fig 1: Door Lock Control System Wiring Diagram (1 Of 9)
G08915719Courtesy of © TOYOTA, LICENSE AGREEMENT TMS1002
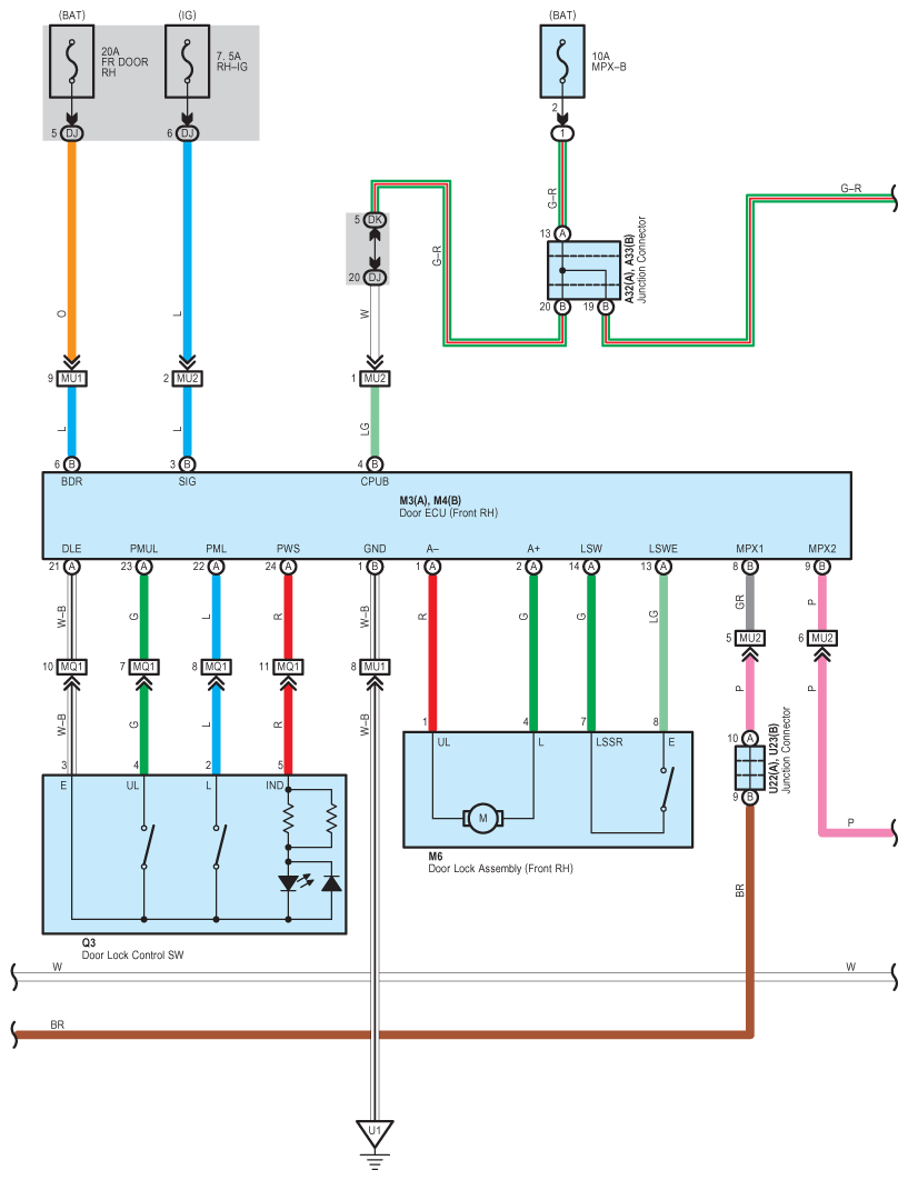
Fig 2: Door Lock Control System Wiring Diagram (2 Of 9)
G08915720Courtesy of © TOYOTA, LICENSE AGREEMENT TMS1002
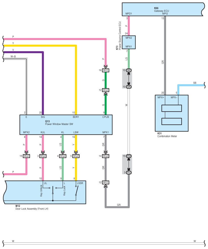
Fig 3: Door Lock Control System Wiring Diagram (3 Of 9)
G08915721Courtesy of © TOYOTA, LICENSE AGREEMENT TMS1002
Fig 4: Door Lock Control System Wiring Diagram (4 Of 9)
G08915722Courtesy of © TOYOTA, LICENSE AGREEMENT TMS1002
Fig 5: Door Lock Control System Wiring Diagram (5 Of 9)
G08915723Courtesy of © TOYOTA, LICENSE AGREEMENT TMS1002
Fig 6: Door Lock Control System Wiring Diagram (6 Of 9)
G08915724Courtesy of © TOYOTA, LICENSE AGREEMENT TMS1002
Fig 7: Door Lock Control System Wiring Diagram (7 Of 9)
G08915725Courtesy of © TOYOTA, LICENSE AGREEMENT TMS1002
Fig 8: Door Lock Control System Wiring Diagram (8 Of 9)
G08915726Courtesy of © TOYOTA, LICENSE AGREEMENT TMS1002
Fig 9: Door Lock Control System Wiring Diagram (9 Of 9)
G08915727Courtesy of © TOYOTA, LICENSE AGREEMENT TMS1002